EasyManua.ls Logo

NewTek TriCaster Mini - Page 511

NewTek TriCaster Mini
522 pages
Print Icon
To Next Page IconTo Next Page
To Next Page IconTo Next Page
To Previous Page IconTo Previous Page
To Previous Page IconTo Previous Page
Loading...
Page | 495
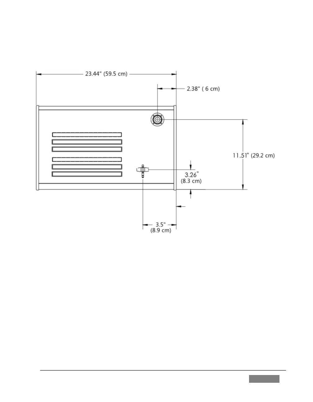
At the sides, a ½” (1.2 cm) ledge is formed for this purpose. The overlap provided
front and back is narrower, about 5/16” (.31 cm).
FIGURE 417

Table of Contents

Other manuals for NewTek TriCaster Mini

Related product manuals