EasyManua.ls Logo

Xerox Phaser 6180 - DC Power Supply

Xerox Phaser 6180
616 pages
To Next Page IconTo Next Page
To Next Page IconTo Next Page
To Previous Page IconTo Previous Page
To Previous Page IconTo Previous Page
Loading...
10-30 Phaser 6180 Color Laser Printer Service Manual
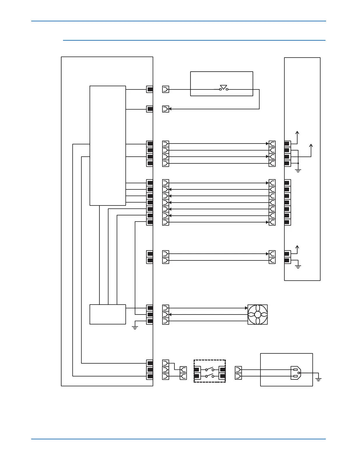
Plug/Jack and Wiring Diagrams
DC Power Supply
MCU Board
PL9.1.20
Power
Control
Fan
Control
1
3
P/J44
I/L +24VDC
1
2
P/J502
1
2
3
P/J503
LINE
NUT
Main Fan
PL9.1.10
FAN +24VDC
FAN ALARM
SG
I/L +24VDC
P/J501 P/J14
+3.3VDC
+5VDC
1
2
3
4
7
8
9
10
11
12
13
P/J15
1
2
SG
13
12
11
10
7
6
5
4
3
2
1
3
1
1
2
3
Interlock Harness
PL9.1.3
SG
+5VDC
+3.3VDC
SG
LV TYPE
DEEP SLEEP
SLEEP
24V OFF
FAN STOP
FAN LOW
FAN ALARM
Inlet Harness
PL9.1.16
P/J481
P/J48
s6180-424
Power Switch
PL9.1.13
TOP LV Harness
PL10.1.16
Interlock
+24VDC
4
2
P/J481
LVPS
PL9.1.4
TOP LV Harness
PL10.1.16

Table of Contents

Other manuals for Xerox Phaser 6180

Related product manuals