EasyManua.ls Logo

Xerox Phaser 6180 - Fuser

Xerox Phaser 6180
616 pages
To Next Page IconTo Next Page
To Next Page IconTo Next Page
To Previous Page IconTo Previous Page
To Previous Page IconTo Previous Page
Loading...
10-46 Phaser 6180 Color Laser Printer Service Manual
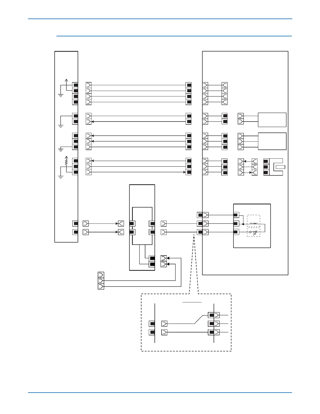
Plug/Jack and Wiring Diagrams
Fuser
MCU
Board
PL9.1.20
P/J17 P/J171
12
11
10
9
8
7
SG
6
5
4
3
2
1
2
3
4
5
6
7
8
9
10
11
12
13 1
12
11
10
9
8
7
6
5
4
3
2
STS
3
1
1
2
3
1
2
3
LINE
VC
VD
SG
FUSER EXIT SENSED (L) +3.3VDC
Fuser Harness
PL6.1.11
SG
PULL UP +3.3VDC
Fuser PL6.1.10
1
2
3
J174
4
Lamp
Control
s6180-432
Thermostat
Heater
Non-Contact
Sensor (NCS)
1
2
3
P/J175
P/J172
P1711
P/J171
P/J47P/J14 P/J501
P1712
P1713
P/J173
2
3 1
Soft Touch
Sensor(STS)
1
2
2
P/J176
1
1
2
3
Exit
Sensor
1
2
3
3
2
1
230V Spec.
3
1
N HEAT1
1
2
3
1
2
3
LINE
P/J171
P/J47
5
6
9
8
FUSER ON
+3.3VDC
+3.3VDC
Used in
production
process only.
P/J504
J5041
1
2
2
3
1
xHEAT1
LVPS
PL9.1.4
N HEAT1
RELAY TEST LOW
RELAY TEST HIGH

Table of Contents

Other manuals for Xerox Phaser 6180

Related product manuals