EasyManua.ls Logo

YASKAWA V1000 Series

YASKAWA V1000 Series
372 pages
To Next Page IconTo Next Page
To Next Page IconTo Next Page
To Previous Page IconTo Previous Page
To Previous Page IconTo Previous Page
Loading...
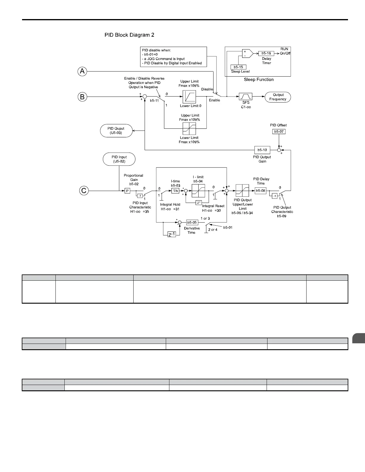
Figure 5.16 PID Block Diagram 2
n
b5-01: PID Function Setting
To enable PID control, select from settings 1 through 4.
No. Parameter Name Setting Range Default
b5-01 PID Function Setting
0: Disabled
1: D = Feedback
2: D = Feed-Forward
3: Frequency reference + PID output (D = Feedback)
4: Frequency reference + PID output (D = Feed-Forward)
0
n
b5-02: Proportional Gain Setting (P)
The proportional gain will apply a straight multiplier to the calculated difference (error) between the PID Setpoint and the measured transmitter feedback
at terminal A2. A large value will tend to reduce the error but may cause instability (oscillations) if too high. A small value may allow too much offset
between the setpoint and feedback.
No. Parameter Name Setting Range Default
b5-02 Proportional Gain Setting (P) 0.00 to 25.00 1.00
n
b5-03: Integral Time Setting (I)
The Integral factor of PID functionality is a time-based gain that can be used to eliminate the error (difference between the setpoint and feedback at steady
state). The smaller the integral time set into b5-03, the more aggressive the integral factor will be. To turn off the integral time, set b5-03 = 0.00.
No. Parameter Name Setting Range Default
b5-03 Integral Time Setting (I) 0.0 to 360.0 1.0 s
5.2 b: Setup
YASKAWA ELECTRIC SIEP C710606 18A YASKAWA AC Drive – V1000 Technical Manual (Preliminary)
125
5
Parameter Details

Table of Contents

Other manuals for YASKAWA V1000 Series

Related product manuals