EasyManua.ls Logo

Siemens SIMATIC S7-1200 - Page 1468

Siemens SIMATIC S7-1200
1614 pages
To Next Page IconTo Next Page
To Next Page IconTo Next Page
To Previous Page IconTo Previous Page
To Previous Page IconTo Previous Page
Loading...
Technical specifications
A.10 Analog signal modules (SMs)
S7-1200 Programmable controller
1468 System Manual, V4.2, 09/2016, A5E02486680-AK
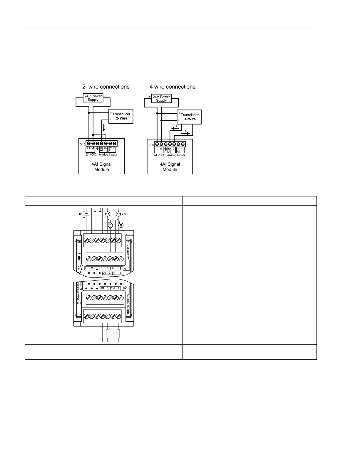
SM 1234 wiring current transducers
Wiring current transducers are available as 2-wire transducers and 4-wire transducers as
shown below.
Table A- 155 Wiring diagrams for the analog input/output SM
SM 1234 AI 4 x 13 Bit / AQ 2 x 14 bit (6ES7234-4HE32-0XB0)
Note: Connectors must be gold. See Appendix C, Spare Parts for
article number.

Table of Contents

Other manuals for Siemens SIMATIC S7-1200

Related product manuals