EasyManua.ls Logo

Sel 2414 - Applications; General

Sel 2414
362 pages
Print Icon
To Next Page IconTo Next Page
To Next Page IconTo Next Page
To Previous Page IconTo Previous Page
To Previous Page IconTo Previous Page
Loading...
1.5
Date Code 20130214 Instruction Manual SEL-2414 Transformer Monitor
Introduction and Specifications
Applications
Applications
General
Use the SEL-2414 as a Transformer Monitor to acquire status with digital and
analog inputs and provide control with digital outputs. It can also be used to
acquire RTD or TC temperature values for transformer thermal monitoring,
including top oil temperature if the transformer supports a thermowell for an
RTD or TC sensor, or a magnetically mounted sensor has been added.
The SEL-2414 provides a transformer thermal model based on IEEE C57.91-
1995. This thermal model is used to monitor the thermal condition of mineral-oil-
immersed transformers. The thermal model can be used to make operational
decisions about loading the transformer, and long-term trending of the thermal
condition (or “loss of life”) of the transformer.
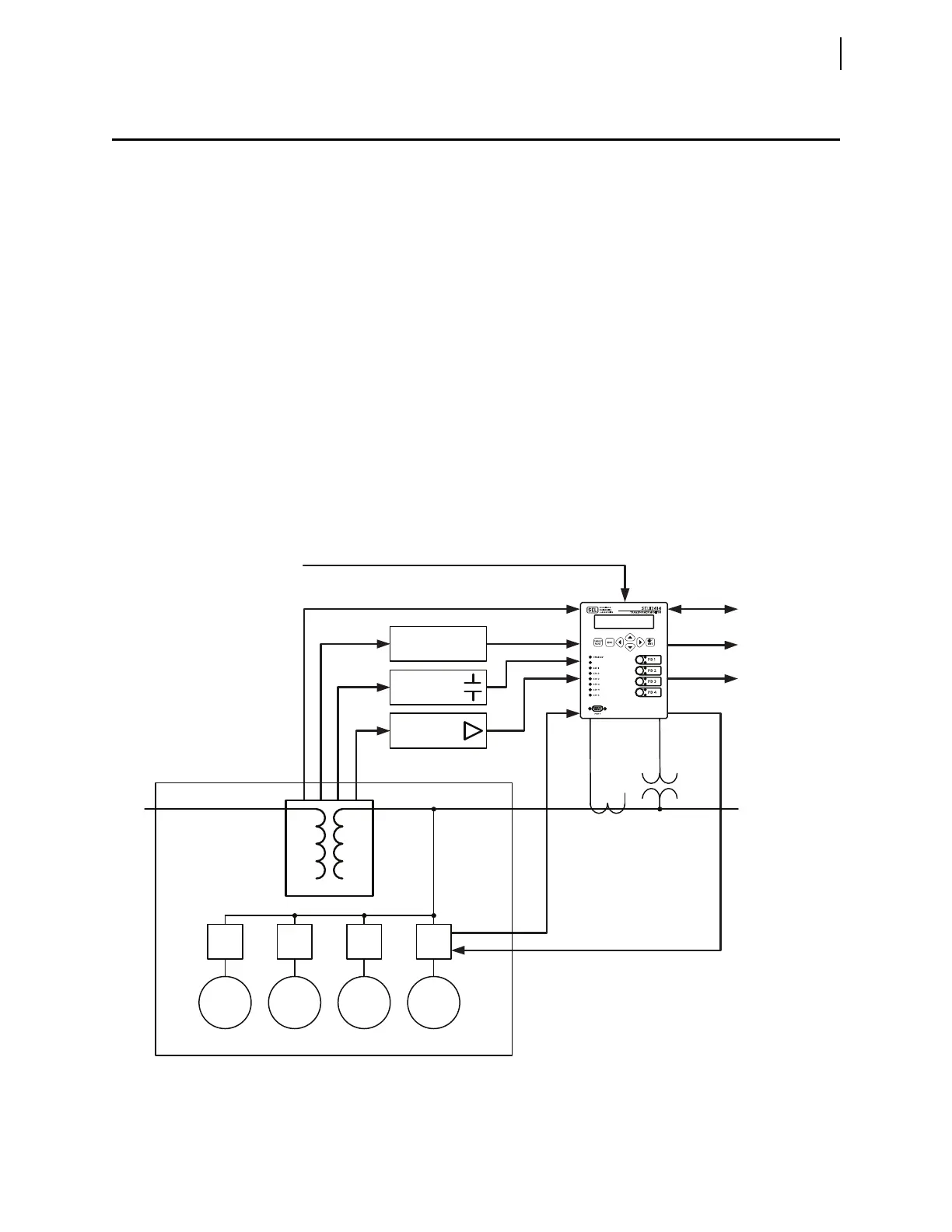
Figure 1.1 shows the block diagram and Figure 1.2 shows the I/O diagram of an
example transformer monitor system. The example application shows the
SEL-2414 being used to monitor transformer currents, voltages, and RTD/TC’s
temperatures and control fan banks. The device can be programmed to exercise
fan banks on a regular basis (e.g., daily or weekly) to prevent debris from collect-
ing and the fan banks can be switched periodically when in service to balance the
wear between the banks. Program this functionality using SEL
OGIC
®
with min-
utes-since-midnight (MINSM), day-of-week (DAYW), and day-of-year (DAYY)
variables.
Figure 1.1 Block Diagram
SEL-2600 RTD
Transducer
IRIG-B
Up to 10 RTDs or TC (°C)
Up to 12 RTDs
Communications
Alarms
DNP3
Alarms (DOs)
Analog Outputs
Currents Voltages
Status
52 = Breaker
M = Cooling Fan Motor
Control
Sensor(s)
with DOs
Sensor(s)
with AOs (mA)
Core & Coil
Transformer
52
M
52
M
52
M
52
M

Table of Contents

Related product manuals