EasyManua.ls Logo

Crown RC 5500 series - Event Code 109

Crown RC 5500 series
691 pages
To Next Page IconTo Next Page
To Next Page IconTo Next Page
To Previous Page IconTo Previous Page
To Previous Page IconTo Previous Page
Loading...
ELECTRICAL
Event Code 109
220
M4.8-1055-010
03 Rev. 10/09
Event Code 109
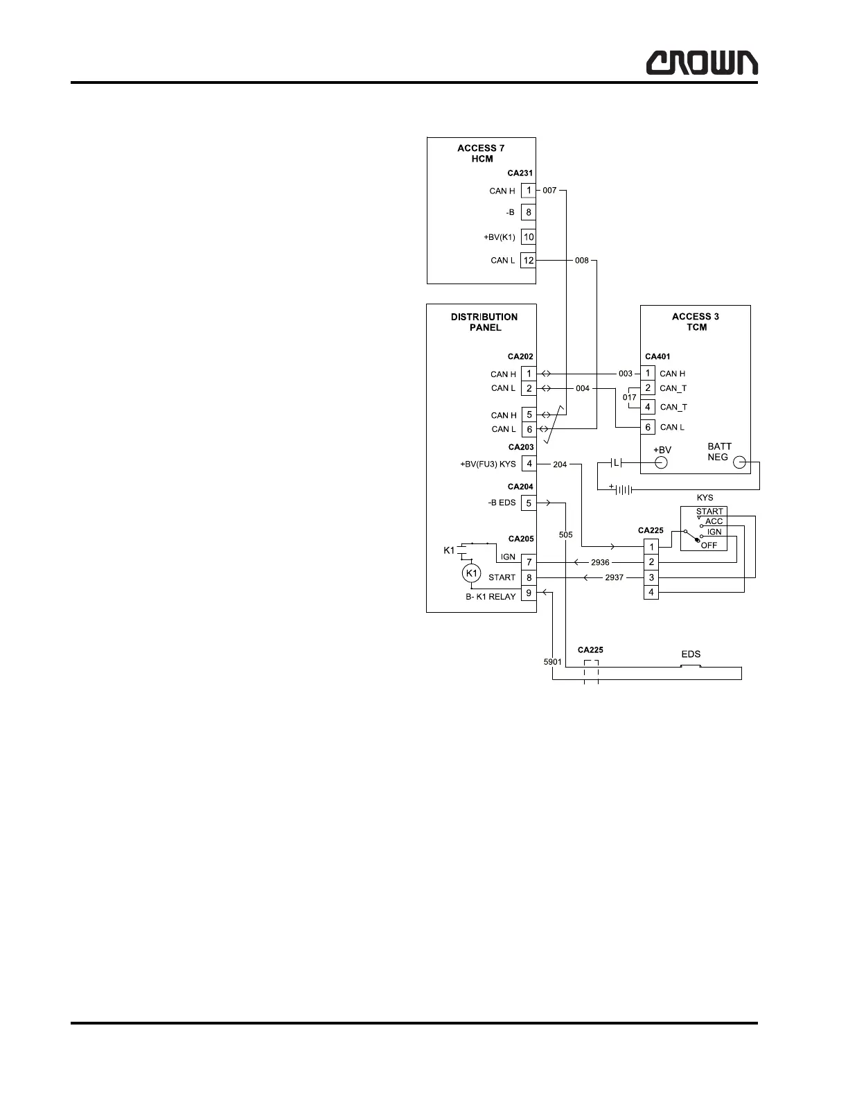
ACCESS 7 Lost CAN Communication.
Step 1: Verify K1 is energized and ACCESS 2, 3 and 7
are powered up.(-).
If: K1, ACCESS 2, 3 or 7 are not powered.
Then repair wiring as necessary.
If: K1, ACCESS 2, 3 and 7 are powered.
Then proceed to Step 2.
Step 2: Check resistance at CAN wiring CA231-1
(high) and CA231-12 (low).
If: 60 ohm.
Then CAN communication line is good, pro-
ceed to Step 3.
If: Approximately 120 ohm.
Then connection between ACCESS 7 and
ACCESS 1, 2 and 3 has been interrupted. Re-
pair wiring as necessary.
Step 3: Check resistance from CAN wiring CA231-1
(high) to BNEG.
If: Shorted to BNEG.
Then repair CAN wiring as necessary.
If: Not shorted to BNEG.
Then proceed to Step 4.
Step 4: Check resistance from CAN wiring CA231-1
(high) and CA231-12 (low) to +BV.
If: Shorted to +BV.
Then repair CAN wiring as necessary.
If: Not shorted to +BV.
Replace ACCESS 7.
Figure 15779-01
Crown 2007 PF15665-10 Rev. 10/09

Table of Contents

Related product manuals