EasyManua.ls Logo

Crown RC 5500 series - Console and Overhead Guard

Crown RC 5500 series
691 pages
To Next Page IconTo Next Page
To Next Page IconTo Next Page
To Previous Page IconTo Previous Page
To Previous Page IconTo Previous Page
Loading...
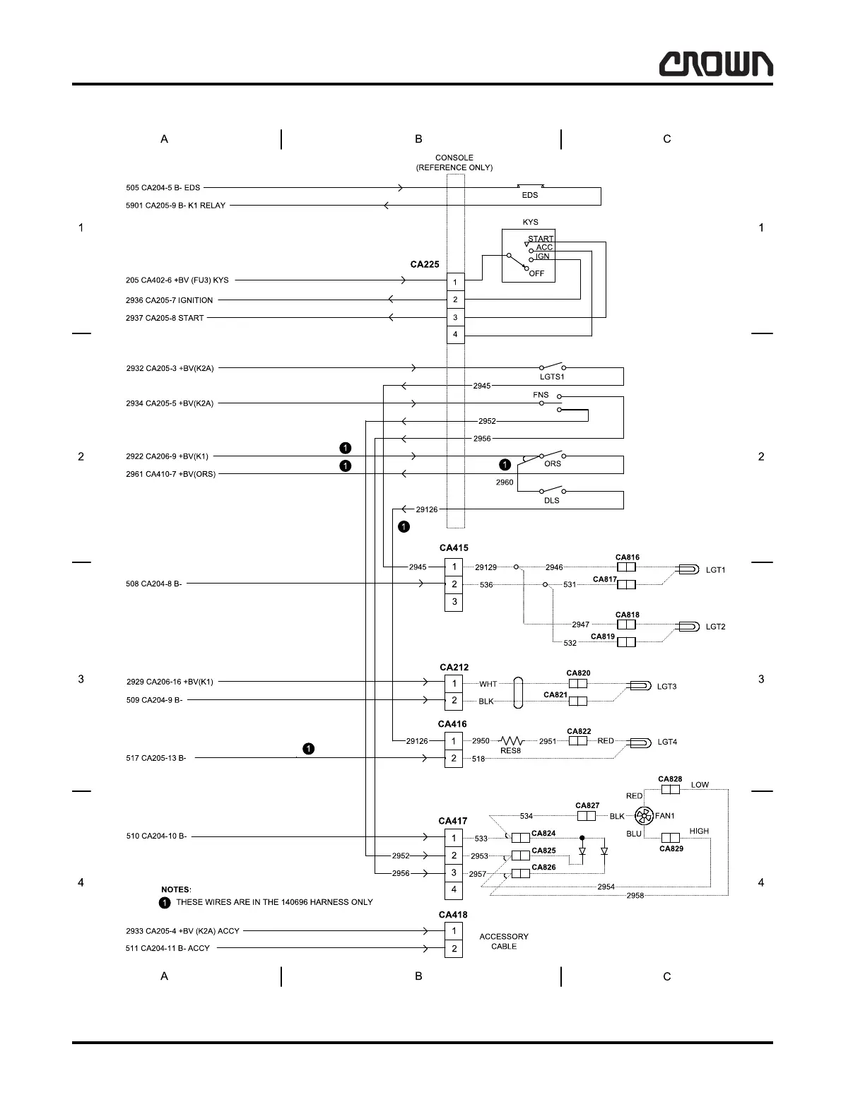
WIRING DIAGRAMS
Console and Overhead Guard
404
DIA-1055-012
01 Rev. 7/08
Console and Overhead Guard
138553 C
Crown 2006 PF15338-12 Rev. 7/08

Table of Contents

Related product manuals