EasyManua.ls Logo

Kikusui TOS9301 - Constructing the Measurement Circuit

Kikusui TOS9301
340 pages
Print Icon
To Next Page IconTo Next Page
To Next Page IconTo Next Page
To Previous Page IconTo Previous Page
To Previous Page IconTo Previous Page
Loading...
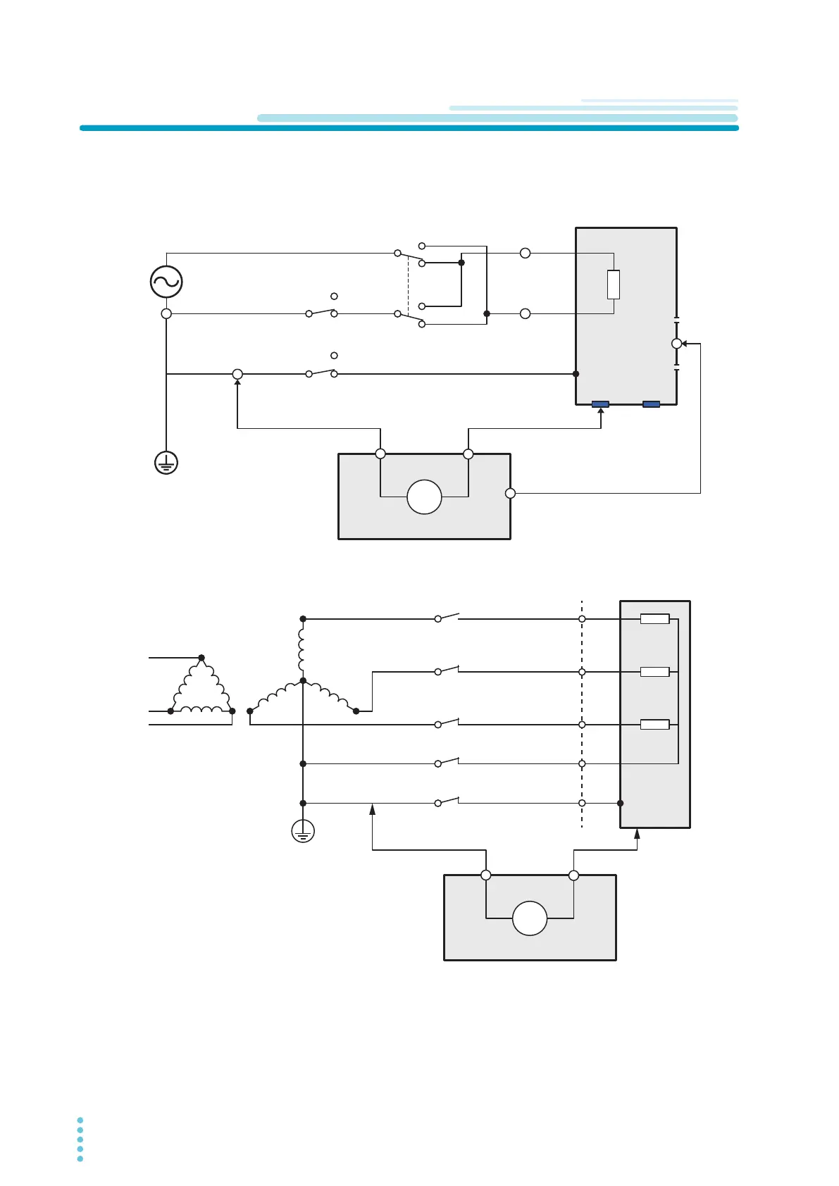
202 User’s Manual TOS93 Series
Meter Mode
Constructing the Measurement Circuit
In meter mode, the current running across terminals A and B is measured. It is also possible to apply
110 % voltage to the EUT.
Construct the following circuit external to the product.
L
N
G
L
N
PE
B
A
Earth line failure
EUT
Network
TOS93
I/O
Polarity switching
Neutral line failure
110%
Example: Measure the touch current (apply 110 % voltage to the
signal I/O section of the medical instrument)
L
L
L
N
PE
EUT
l
l
l
e
n
Line failure
Power
supply
T
B
A
Network
TOS93
Neutral line failure
Earth line failure
Example: Circuit for measuring the touch current of a three-phase device
with a star configuration TN or TT system

Table of Contents