EasyManua.ls Logo

Renesas RL78/G10 - Page 94

Renesas RL78/G10
637 pages
Print Icon
To Next Page IconTo Next Page
To Next Page IconTo Next Page
To Previous Page IconTo Previous Page
To Previous Page IconTo Previous Page
Loading...
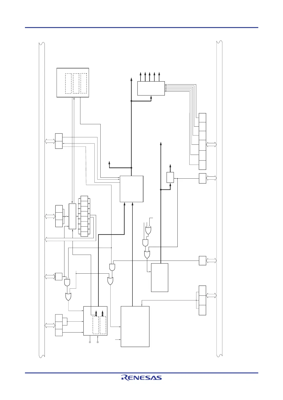
RL78/G10 CHAPTER 5 CLOCK GENERATOR
R01UH0384EJ0311 Rev. 3.11 77
Dec 22, 2016
Figure 5-1. Block Diagram of Clock Generator
SAU0
EN
3
Clock operation mode
control register
(CMC)
Note
Clock operation status
control register
(CSC)
Note
MSTOP
EXCLK
OSCSEL
AMPH
STOP mode
signal
f
MX
X1/P121/
(INTP3)
Note
X2/EXCLK/P122/
(INTP2)
Note
f
X
f
EX
Crystal/ceramic
oscillation
External
input clock
High-speed system
clock oscillator
Note
High-speed on-chip oscillator
Option byte (000C2H)
FRQSEL0 to FRQSEL2
f
IH
Low-speed on-chip
oscillator
Option byte (000C0H)
WDTON
WDSTBYON
HALT/STOP mode signal
HIOSTOP
Internal bus
Clock operation status
control register
(CSC)
Note
High-speed on-chip oscillator
frequency selection register
(HOCODIV)
TAU 0
EN
IICA0
EN
Note
ADC
EN
Peripheral enable
register 0 (PER0)
f
CLK
CPU
Watchdog timer
Timer array unit
Serial array unit
A/D converter
Comparator
Note
Serial interface IICA
Note
Controller
Clock output/buzzer output
Main system clock
source selector
System clock control
register (CKC)
Note
MCM0
MCS
Normal
operation mode
HALT m od e
STOP mode
Standby controller
Oscillation stabilization
time select register (OSTS)
Note
Oscillation stabilization
time counter status
register (OSTC)
Note
Internal bus
OSTS1 OSTS0OSTS2
MOST
9
MOST
8
MOST
11
MOST
10
MOST
15
MOST
13
MOST
18
MOST
17
X1 oscillation
stabilization time counter
20/10/5/2.5/1.25 MHz (typ.)
HOCODIV2 HOCODIV1 HOCODIV0
15 kHz (typ.)
f
IL
WUTMMCK0
Operation speed
mode control register
(OSMC)
Note
Controller
12 bits Interval timer
Note
TMKA
EN
Note
CMP
EN
Note
Note 16-pin products only.

Table of Contents

Related product manuals