EasyManua.ls Logo

Mercury 305 CID - Page 486

Mercury 305 CID
967 pages
To Next Page IconTo Next Page
To Next Page IconTo Next Page
To Previous Page IconTo Previous Page
To Previous Page IconTo Previous Page
Loading...
5C-18 - ROCHESTER 4 BARREL CARBURETOR 90-823225--1 1096
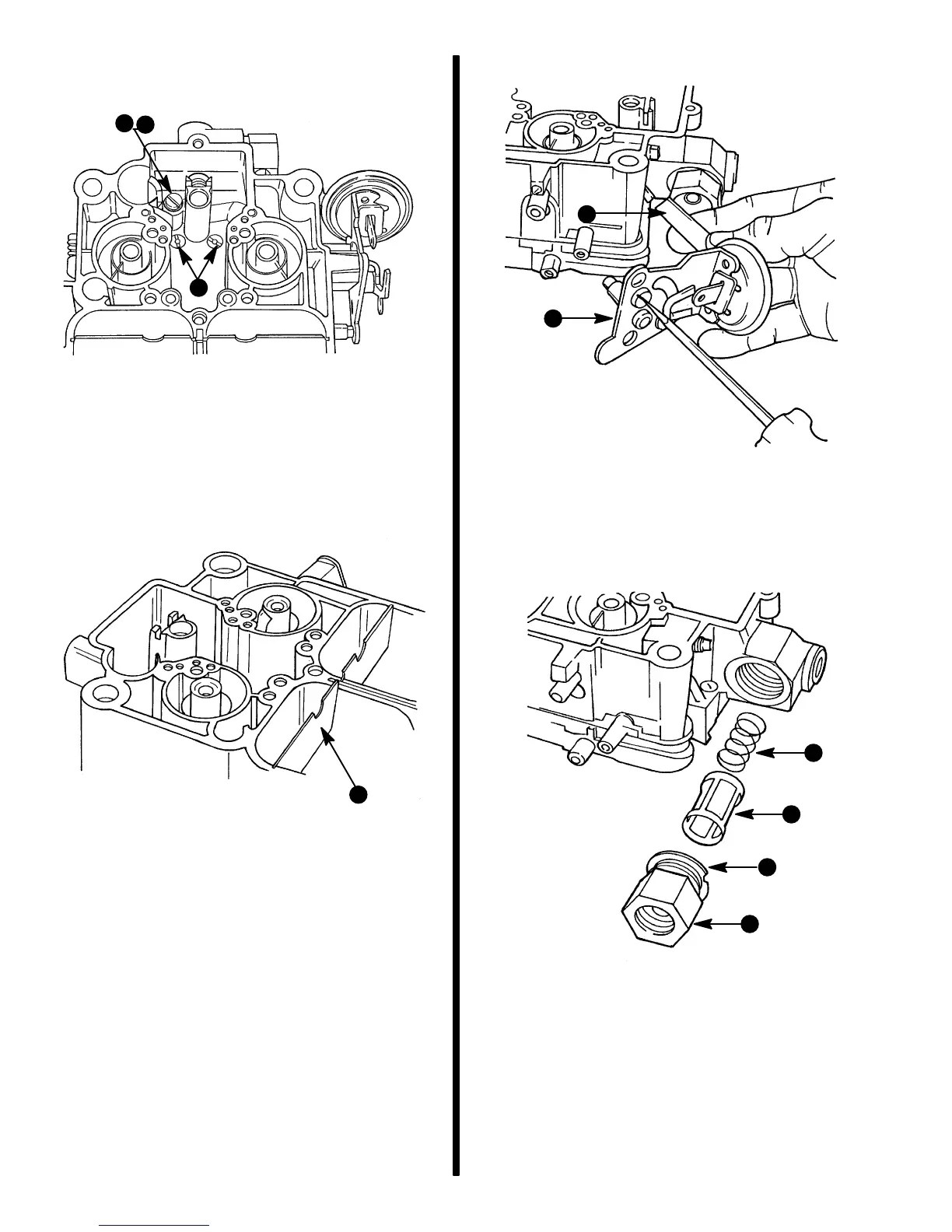
5. Remove primary metering jets, pump discharge
check ball retainer and check ball.
72117
a - Primary Metering Jets
b - Pump Discharge Retainer
c - Check Ball (Not Shown)
b
c
a
6. Remove baffle.
72118
a - Baffle
a
7. Remove vacuum control assembly and hose.
72119
a - Vacuum Control Assembly
b - Hose
b
a
8. Remove fuel inlet filter nut, gaskets, filter and
spring.
72120
a - Nut
b - Gaskets
c - Filter
d - Spring
b
c
d
a

Table of Contents

Related product manuals