EasyManua.ls Logo

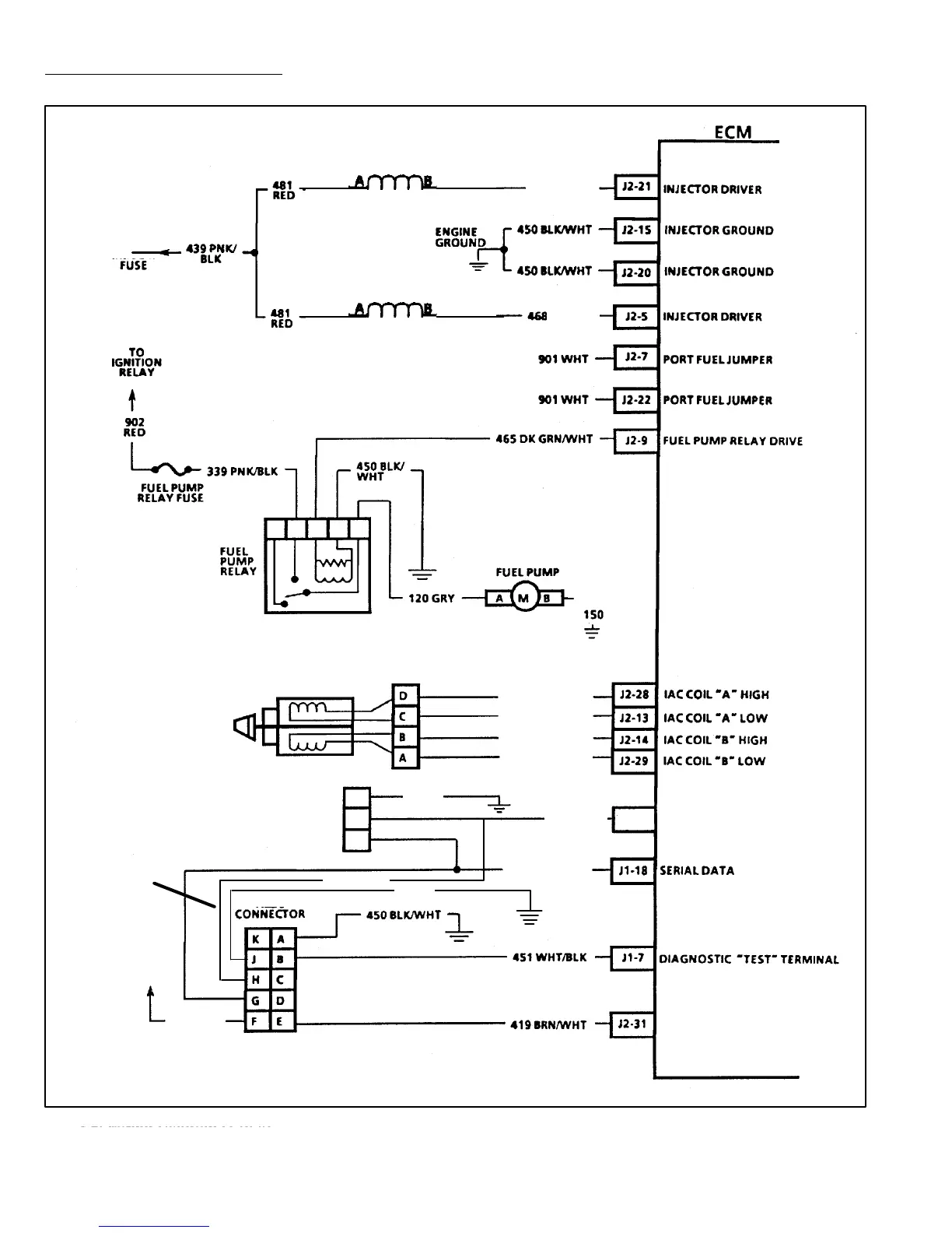
Mercury 305 CID - Throttle Body Injection Wiring Diagram (Chart 1 of 4)

Mercury 305 CID
967 pages
To Next Page IconTo Next Page
To Next Page IconTo Next Page
To Previous Page IconTo Previous Page
To Previous Page IconTo Previous Page
Loading...
467 DK BLU
15A
15A
87a 30 85 86 87
IDLE AIR
CONTROL
(IAC) VALVE
C
B
A
DUAL ENGINE DATA LINK
(MULTIPLE ENGINE
APPLICATION SOME MODELS)
BLK
J1-5 MASTER/SLAVE
461 ORN/BLK
TO ECM/BAT
FUSE
15A
440 ORN
441 BLU/WHT
442 BLU/BLK
443 GRN/WHT
444 GRN/BLK
10A
MALFUNCTION INDICATOR LAMP
DK GRN
DLC
R
BLK
SOME MODELS
WILL HAVE THE
DUAL ENGINE
DATA LINK
MOVED TO THE
DLC
INJECTOR
INJECTOR
916 YEL
BLK
916 YEL
90-823225--1 10965E-46 - ELECTRONIC FUEL INJECTION (MULTI-PORT AND THROTTLE BODY)
Throttle Body Injection Wiring Diagram (Chart 1 of 4)

Table of Contents

Related product manuals