EasyManua.ls Logo

ST STM32F410 - Figure 245. Hardware;Software Slave Select Management

ST STM32F410
771 pages
Print Icon
To Next Page IconTo Next Page
To Next Page IconTo Next Page
To Previous Page IconTo Previous Page
To Previous Page IconTo Previous Page
Loading...
RM0401 Rev 3 689/771
RM0401 Serial peripheral interface/ inter-IC sound (SPI/I2S)
731
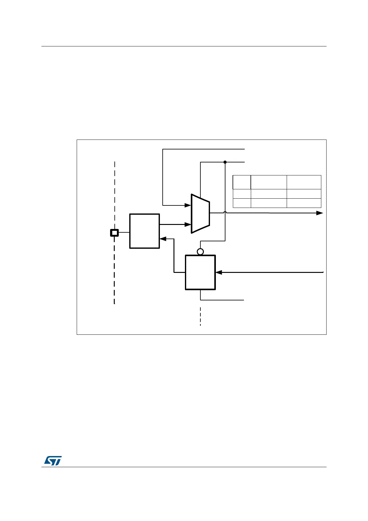
NSS output enable (SSM=0,SSOE = 1): this configuration is only used when the
MCU is set as master. The NSS pin is managed by the hardware. The NSS signal
is driven low as soon as the SPI is enabled in master mode (SPE=1), and is kept
low until the SPI is disabled (SPE =0).
NSS output disable (SSM=0, SSOE = 0): if the microcontroller is acting as the
master on the bus, this configuration allows multimaster capability. If the NSS pin
is pulled low in this mode, the SPI enters master mode fault state and the device is
automatically reconfigured in slave mode. In slave mode, the NSS pin works as a
standard “chip select” input and the slave is selected while NSS line is at low level.
Figure 245. Hardware/software slave select management
166,QSXW
660FRQWUROELW
66,FRQWUROELW
662(FRQWUROELW
1662XWSXW
166
SLQ
XVHGLQ0DVWHUPRGH166
+:PDQDJHPHQWRQO\
166
2XWSXW
&RQWURO
0DVWHU
PRGH
6ODYHPRGH
1RQDFWLYH2.9GG
166
,QS
$FWLYH&RQIOLFW9VV
166H[WHUQDOORJLF
166LQWHUQDOORJLF
*3,2
ORJLF
DLYH

Table of Contents

Related product manuals