EasyManua.ls Logo

wsm M7040 - Ground Pto and Live Pto Section (Ita Model)

wsm M7040
588 pages
Print Icon
To Next Page IconTo Next Page
To Next Page IconTo Next Page
To Previous Page IconTo Previous Page
To Previous Page IconTo Previous Page
Loading...
TRANSMISSION
M6040, M7040, WSM
3-M17
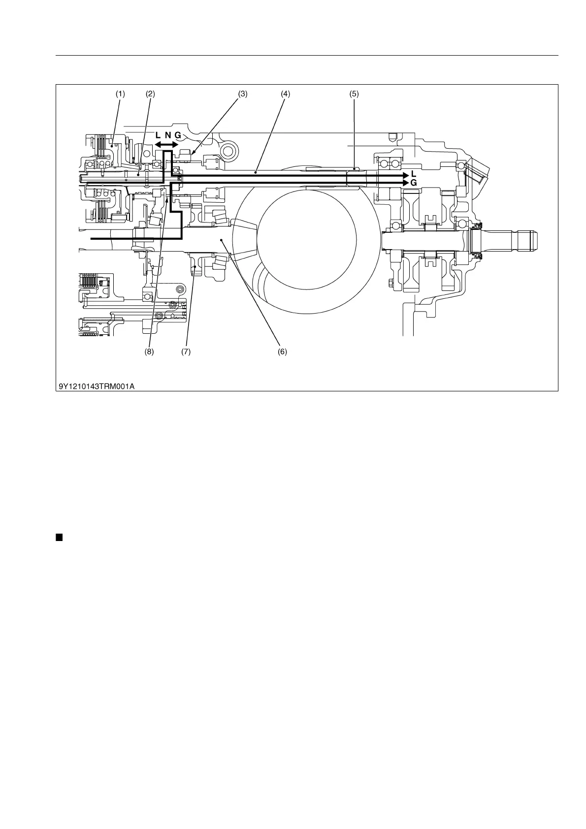
[2] GROUND PTO AND LIVE PTO SECTION (ITA MODEL)
The live PTO and ground PTO are available by operating the shift lever, to shift position of the 26T ground PTO
gear (3). The power is transmitted as follow.
Live PTO
PTO Clutch Pack (1) PTO Propeller Shaft 2 (2) 60T Coupling Gear (8) 26T Ground PTO Gear (3) PTO
Propeller Shaft 3 (4) Coupling (5) PTO Gear Section.
Ground PTO
Spiral Bevel Pinion Shaft (6) 33T G-PTO Gear (7) 26T Ground PTO Gear (3) PTO Propeller Shaft 3 (4)
Coupling (5) PTO Gear Section.
NOTE
The number of revolution at one rotation of rear tire (16.9R30)
At 540 PTO speed: 8.94
At 540E PTO speed: 10.56
At 1000 PTO speed: 14.47
9Y1210143TRM0019US0
(1) PTO Clutch Pack
(2) Propeller Shaft 2
(3) 26T G-PTO Gear
(4) Propeller Shaft 3
(5) Coupling
(6) Spiral Bevel Pinion Shaft
(7) 33T G-PTO Gear
(8) 60T Coupling Gear
L: Live PTO
N: Neutral
G: Ground PTO
KiSC issued 07, 2012 A

Table of Contents

Related product manuals