EasyManua.ls Logo

wsm M7040 - Lighting System

wsm M7040
588 pages
Print Icon
To Next Page IconTo Next Page
To Next Page IconTo Next Page
To Previous Page IconTo Previous Page
To Previous Page IconTo Previous Page
Loading...
ELECTRICAL SYSTEM
M6040, M7040, WSM
9-M12
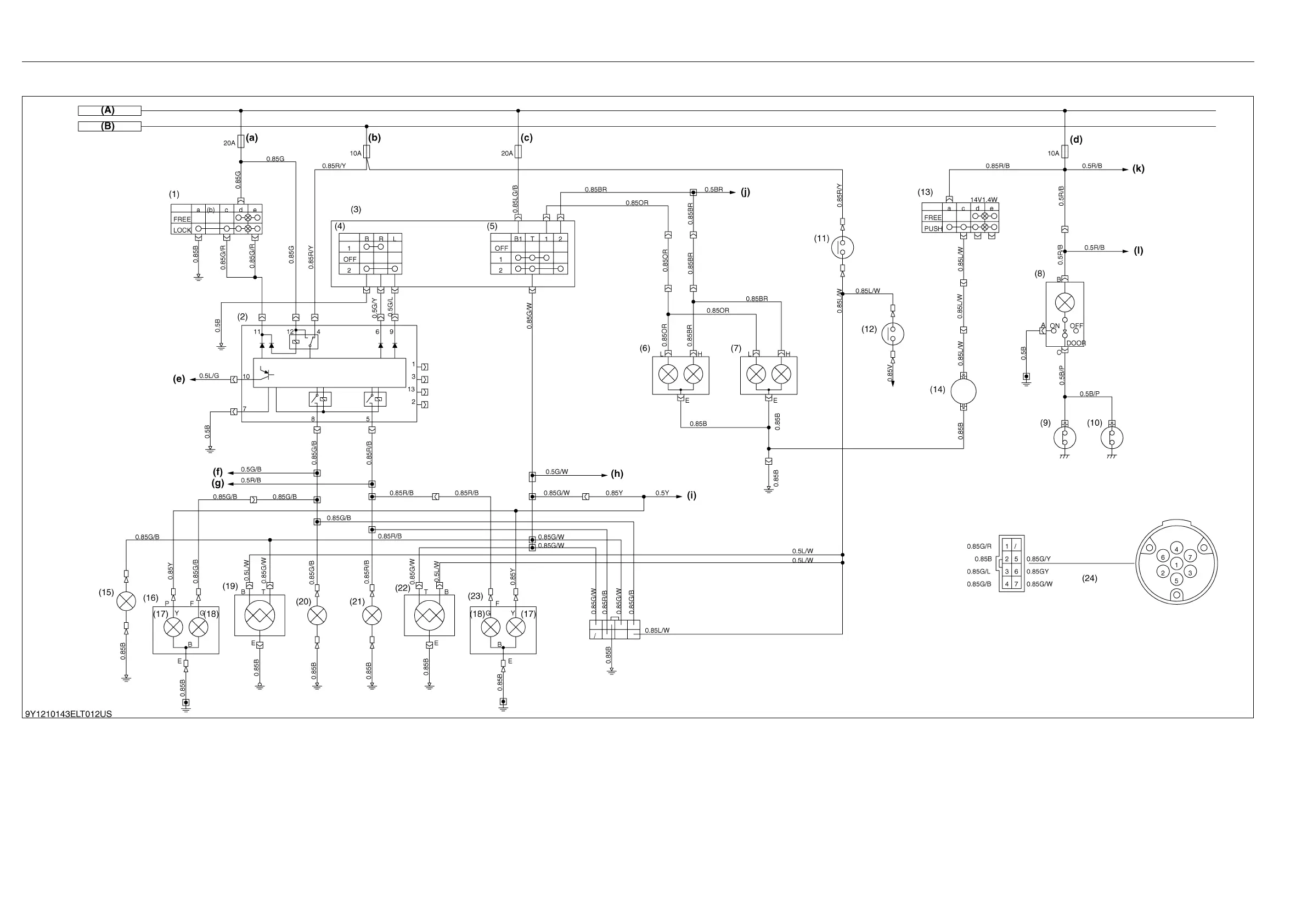
(3) Lighting System
(1) Hazard Switch (14 V, 1.4 W)
(2) Flasher Unit
(3) Combination Light Switch
(4) Turn Switch
(5) Head Light Switch
(6) Head Light L.H. (H4 12 V, 55/60 W)
(7) Head Light R.H. (H4 12 V, 55/60 W)
(8) Dome Light (Room) (12 V, 5 W)
(9) Door Switch L.H.
(10) Door Switch R.H.
(11) Brake Switch R.H.
(12) Brake Switch L.H.
(13) Horn Switch
(14) Horn
(15) Licence Light (12 V / 10 W)
(16) Front Combination Lamp L.H.
(17) Position Lamp (10W)
(18) Turning Lamp (21W)
(19) Rear Combination Lamp L.H. (12 V, 5/21 W)
(20) Rear Flasher Lamp L.H. (Lower) (12 V, 21 W)
(21) Rear Flasher Lamp R.H. (Lower) (12 V, 21 W)
(22) Rear Combination Lamp R.H. (12 V, 5/21 W)
(23) Front Combination Lamp L.H.
(24) Trailer Socket Assembly
(A) Head Light
(B) Key IG
(a) Fuse (Flasher, Hazard)
(b) Fuse (Turn Signal, Stop Light)
(c) Fuse (Head Light, Position Lamp)
(d) Fuse (Meter (Back Up), Radio, Horn, Dome
Light)
(e) To Meter Panel (14: Trailer Indicator)
(f) To Meter Panel (16: Turn L.H.)
(g) To Meter Panel (12: Turn R.H.)
(h) To Meter Panel (21: Illumination)
(i) To A/C Control Panel
(j) To Meter Panel (15: High Beam)
(k) To Meter Paenl (38: Back Up)
(l) To Radio (Back Up)
KiSC issued 07, 2012 A

Table of Contents

Related product manuals