EasyManua.ls Logo

wsm M7040 - Engine Harness

wsm M7040
588 pages
Print Icon
To Next Page IconTo Next Page
To Next Page IconTo Next Page
To Previous Page IconTo Previous Page
To Previous Page IconTo Previous Page
Loading...
ELECTRICAL SYSTEM
M6040, M7040, WSM
9-M5
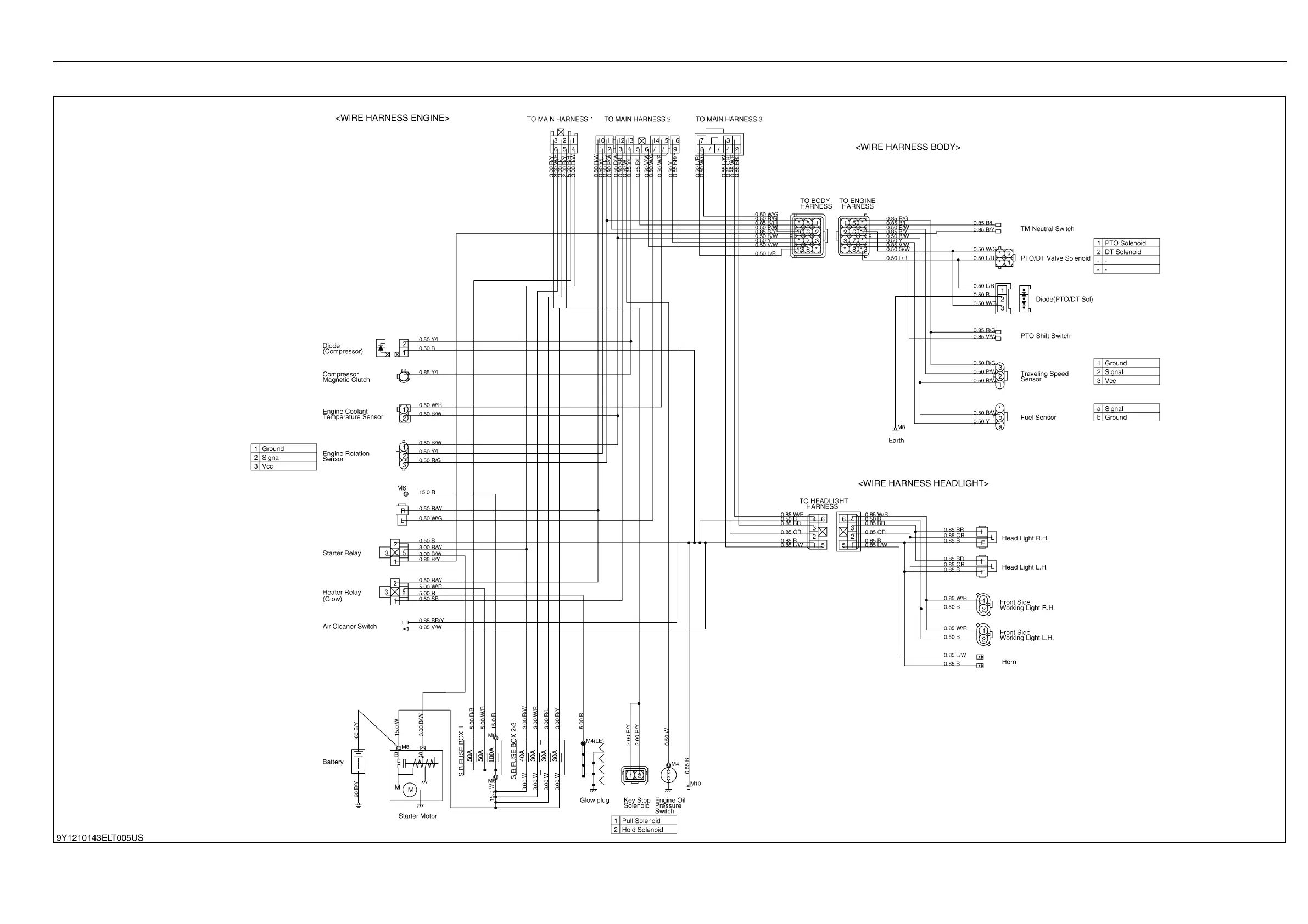
(4) Engine Harness
KiSC issued 07, 2012 A

Table of Contents

Related product manuals