EasyManua.ls Logo

wsm M7040 - Starting System and Charging System (ITA Model)

wsm M7040
588 pages
Print Icon
To Next Page IconTo Next Page
To Next Page IconTo Next Page
To Previous Page IconTo Previous Page
To Previous Page IconTo Previous Page
Loading...
ELECTRICAL SYSTEM
M6040, M7040, WSM
9-M11
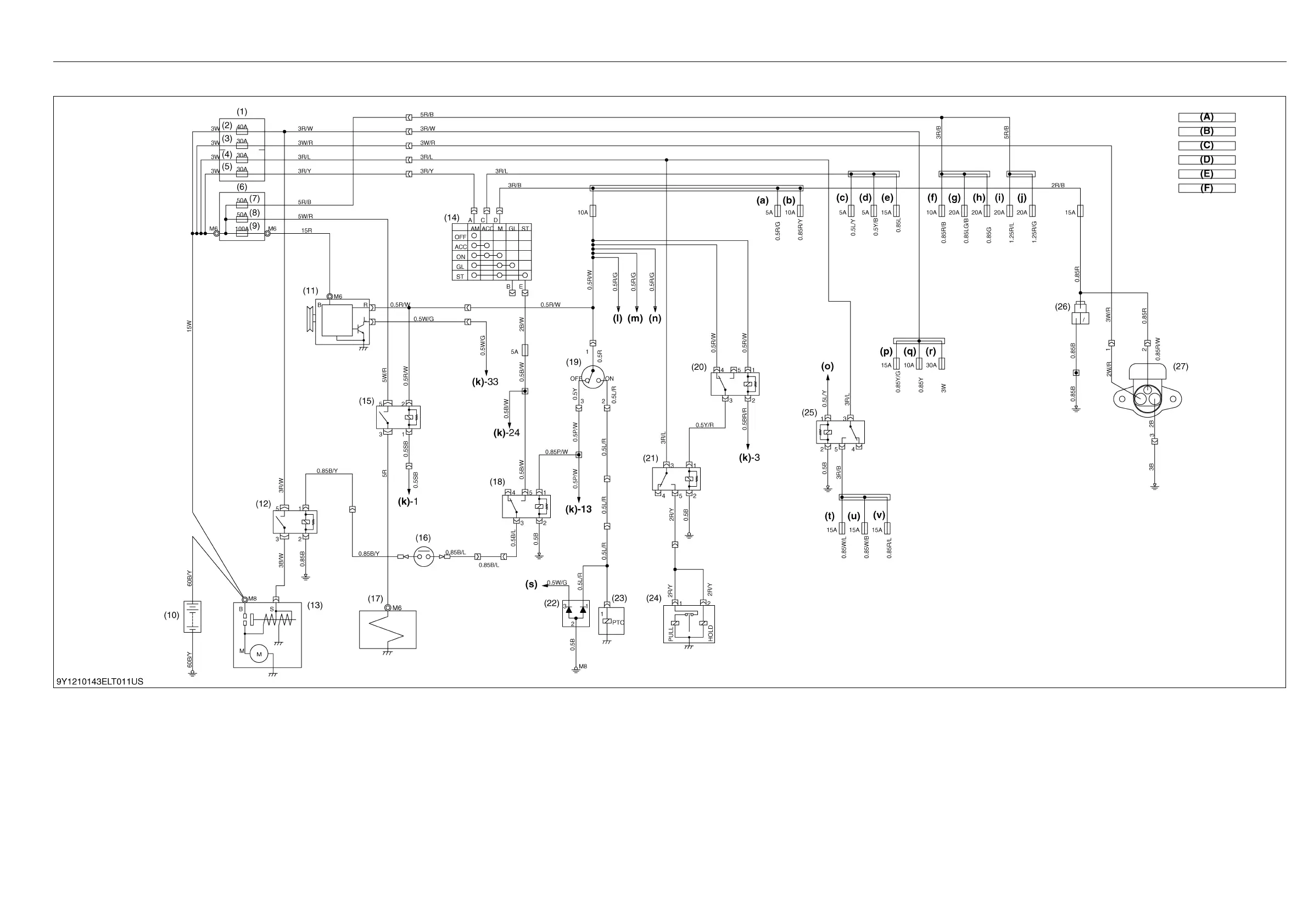
(2) Starting System and Charging System (ITA Model)
(1) Slow Blow Fuse Box 2, 3
(2) Blower
(3) Auxiliary
(4) ACC
(5) KEY
(6) Slow Blow Fuse Box 1
(7) Light/Defogger
(8) Heater
(9) Charge
(10) Battery
(11) Alternator
(12) Starter Relay
(13) Starter Motor
(14) Main Key Switch
(15) Heater Relay
(16) Shuttle Neutral Switch
(17) Heater
(18) PTO Safety Relay
(19) PTO Switch
(20) Engine Stop Relay
(21) Key Stop Relay
(22) Diode (PTO/DT)
(23) PTO/DT Valve (Solenoid)
(24) Key Stop Solenoid
(25) Working Light Relay
(26) Auxiliary Power Connector
(27) Auxiliary Power Socket
(A) Head Light
(B) Blower Motor
(C) Auxiliary Power
(D) ACC
(E) Key ACC
(F) Key IG
(a) Fuse (Meter Panel)
(b) Fuse (Turn Signal, Brake)
(c) Fuse (Radio)
(d) Fuse (Air Conditioner (Control))
(e) Fuse (Wiper)
(f) Fuse (Meter Back Up, Radio)
(g) Fuse (Head Light, Tail Lamp)
(h) Fuse (Flasher (Hazard))
(i) Fuse (Rear Window Defogger)
(j) Fuse (Quarter Window Defogger)
(k) To Meter Panel
(l) To 4WD Switch
(m) To Rear Diff. Lock Switch
(n) To Dual Speed Switch
(o) To Radio Fuse 5 A
(p) Fuse (Working Light (Front Side))
(q) Fuse (Air Conditioner (Compressor))
(r) Fuse (Air Conditioner (Fan Motor))
(s) To DT Solenoid Valve
(t) Fuse (Working Light (Rear))
(u) Fuse (Working Light (Front)
(v) Fuse (Cigarette Lighter)
KiSC issued 07, 2012 A

Table of Contents

Related product manuals