EasyManua.ls Logo

wsm M7040 - 3 Starting System; System Outline and Electrical Circuit; ROPS Model

wsm M7040
588 pages
Print Icon
To Next Page IconTo Next Page
To Next Page IconTo Next Page
To Previous Page IconTo Previous Page
To Previous Page IconTo Previous Page
Loading...
ELECTRICAL SYSTEM
M6040, M7040, WSM
9-M19
3. STARTING SYSTEM
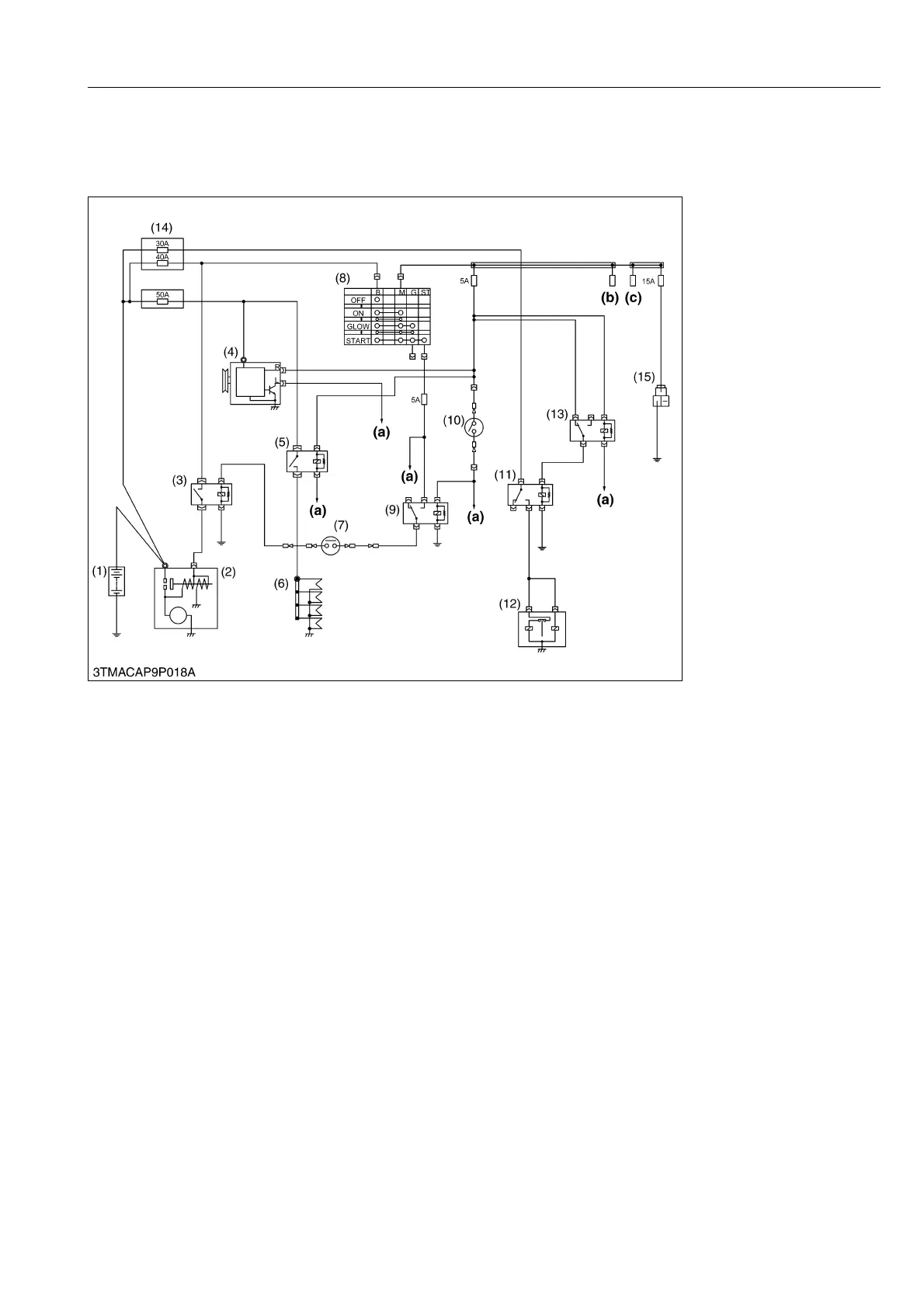
[1] SYSTEM OUTLINE AND ELECTRICAL CIRCUIT
(1) ROPS Model
There are three key positions, "OFF", "ON" and "START" on the main switch as shown above.
When the main switch is set "ON", terminal B of the main switch is connected to terminal M.
As a result, the battery current flows to the key stop relay (11) and the contact points of relay are turned on "ON"
position. The key stop solenoid (12) is actuating for governor linkage, and linkage are connecting to the stop lever of
injection pump, and stop lever move into "START" position.
When the main switch is set to "START" under the condition that the shuttle shift lever is neutral position and the
safety switch (7) is turned on the PTO lever is in "OFF" position (PTO switch (10) is pushed to "ON"). Terminal AM
of the main switch is connected to terminal M and terminal ST. Consequently, battery current flows to safety switches
(7), (10), coil of starter relay (3), PTO safety relay (9). (When the PTO switches is set to "OFF", battery current flows
PTO switch (10) and coil of PTO safety relay (9).
This actuates starter (2).
When the main switch is released after starting the engine, the main switch returns to "ON" automatically. This
stops the starter. Fuel supply and fuel stop to and from the injection pump are carried out by the key stop relay (11)
and engine stop solenoid (12).
9Y1210143ELM0019US0
(1) Battery
(2) Starter Motor
(3) Starter Relay
(4) Alternator
(5) Glow Relay
(6) Glow Plug
(7) Neutral Safety Switch
(Shuttle)
(8) Main Switch
(9) PTO Safety Relay
(10) PTO Switch
(11) Key Stop Relay
(12) Key Stop Solenoid
(13) Engine Stop Relay
(14) Slow Blow Fuse
(15) Auxiliary Power Connector
(a) To Meter Panel
(b) To Meter Panel
(c) To Turn Signal
KiSC issued 07, 2012 A

Table of Contents

Related product manuals