EasyManua.ls Logo

wsm M7040 - 2 Parking Brake; Structure

wsm M7040
588 pages
Print Icon
To Next Page IconTo Next Page
To Next Page IconTo Next Page
To Previous Page IconTo Previous Page
To Previous Page IconTo Previous Page
Loading...
BRAKES
M6040, M7040, WSM
5-M3
2. PARKING BRAKE
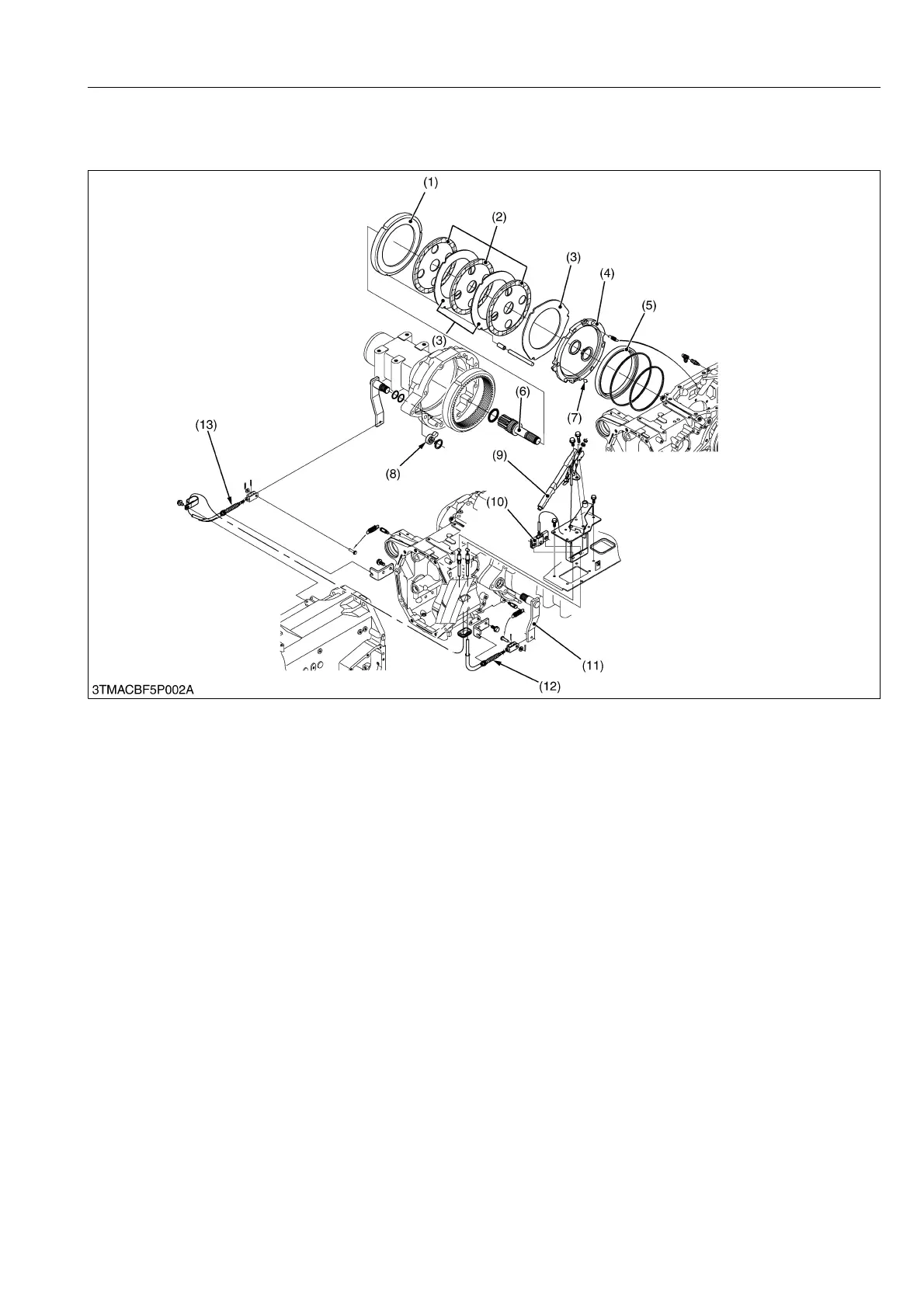
[1] STRUCTURE
The parking brake is a mechanical type which is designed to actuate the traveling brakes.
When operate the parking hand brake lever (9), the cam plate (4) rotates by the link mechanical and the brake
cam lever (11). At the same time, the cam plate (4) moves to the steel plate (3) with the ball (7) and depresses
the brake discs (2) and brake plates (1) to brake the brake shaft (6).
The parking cable lever (10) automatically adjust the operating forces for both R.H. (13) and L.H. (12) side of
parking cable.
While the machine is parked with the engine off, the hydraulic 4WD clutch is kept disengaged. But the clutch disc
is held pressed by the spring, which means that the 4WD mechanism is still on. (Refer to "5. POWER TRAIN FOR
4WD" on page 3-M18.) When the parking brake is applied, therefore, all the 4-wheels are put on brakes to provide
for greater braking effect.
9Y1210143BRM0003US0
(1) Brake Plate
(2) Brake Disc
(3) Steel Plate
(4) Cam Plate
(5) Brake Piston
(6) Brake Shaft
(7) Ball
(8) Brake Cam
(9) Parking Hand Brake
(10) Parking Cable Lever
(11) Brake Cam Lever
(12) Parking Cable L.H.
(13) Parking Cable R.H.
KiSC issued 07, 2012 A

Table of Contents

Related product manuals