EasyManua.ls Logo

wsm M7040 - 2 Electrical Circuit Detailed Chart; Rops Model; Starting System, Charging System and Power Supply

wsm M7040
588 pages
Print Icon
To Next Page IconTo Next Page
To Next Page IconTo Next Page
To Previous Page IconTo Previous Page
To Previous Page IconTo Previous Page
Loading...
ELECTRICAL SYSTEM
M6040, M7040, WSM
9-M6
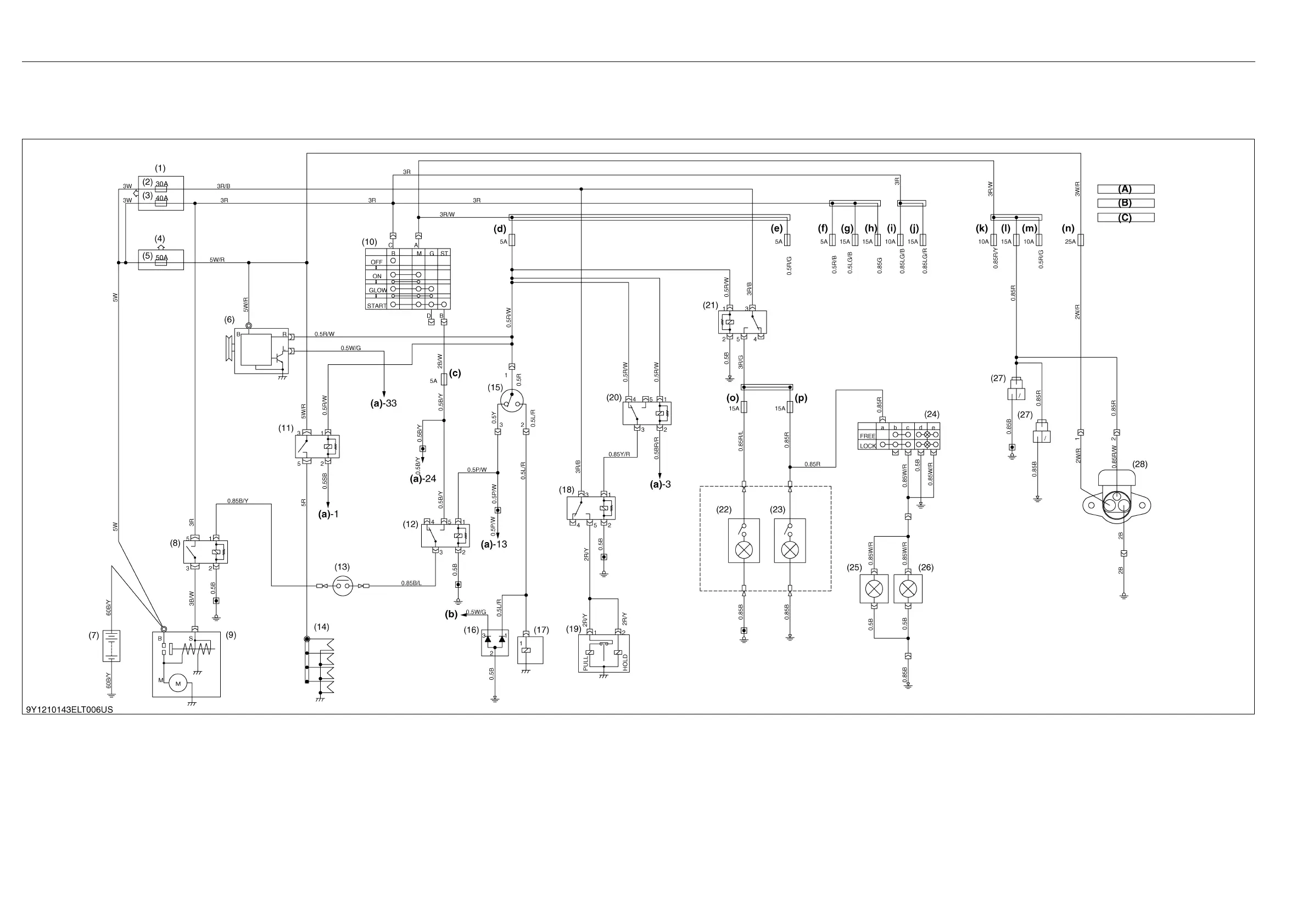
2. ELECTRICAL CIRCUIT DETAILED CHART
[1] ROPS MODEL
(1) Starting System, Charging System and Power Supply
(1) Slow Blow Fuse Box
(2) Fuel/Work Light
(3) Key/Light
(4) Slow Blow Fuse
(5) Charge/Heater
(6) Alternator
(7) Battery
(8) Starter Relay
(9) Starter Motor
(10) Main Key Switch
(11) Glow Relay
(12) PTO Safety Relay
(13) Shuttle Neutral Switch
(14) Glow Plug
(15) PTO Switch
(16) Diode (PTO/DT Solenoid)
(17) PTO Valve (Solenoid)
(18) Key Stop Relay
(19) Key Stop Solenoid
(20) Engine Stop Relay
(21) Working Light Relay
(22) Working Lamp L.H. (12 V, 35 W) (Option)
(23) Working Lamp R.H. (12 V, 35 W) (Option)
(24) Working Lamp Front Side Switch (14 V, 1.4 W)
(25) Working Lamp Front Side L.H. (12 V, 21 W)
(26) Working Lamp Front Side R.H. (12 V, 21 W)
(27) Auxiliary Power Connector
(28) Auxiliary Power Socket
(A) Fuel/Work Light
(B) Key/Light
(C) Key/IG
(a) To Meter Panel
(b) To DT Valve (Solenoid)
(c) Fuse (Starter Relay)
(d) Fuse (Alternator, Engine, PTO, Heater)
(e) Fuse (Meter Panel)
(f) Fuse (Meter Back Up)
(g) Fuse (Position Lamp, Number Lamp)
(h) Fuse (Flasher (Hazard))
(i) Fuse (Horn)
(j) Fuse (Head Light)
(k) Fuse (Turn signal, Stop Lamp)
(l) Fuse (Auxiliary Power)
(m) Fuse (T/M Control)
(n) Fuse (AUX. Socket)
(o) Fuse (Work Light L)
(p) Fuse (Work Light R)
KiSC issued 07, 2012 A

Table of Contents

Related product manuals