EasyManua.ls Logo

wsm M7040 - Instrument Panel Board (Meter Panel)

wsm M7040
588 pages
Print Icon
To Next Page IconTo Next Page
To Next Page IconTo Next Page
To Previous Page IconTo Previous Page
To Previous Page IconTo Previous Page
Loading...
ELECTRICAL SYSTEM
M6040, M7040, WSM
9-M9
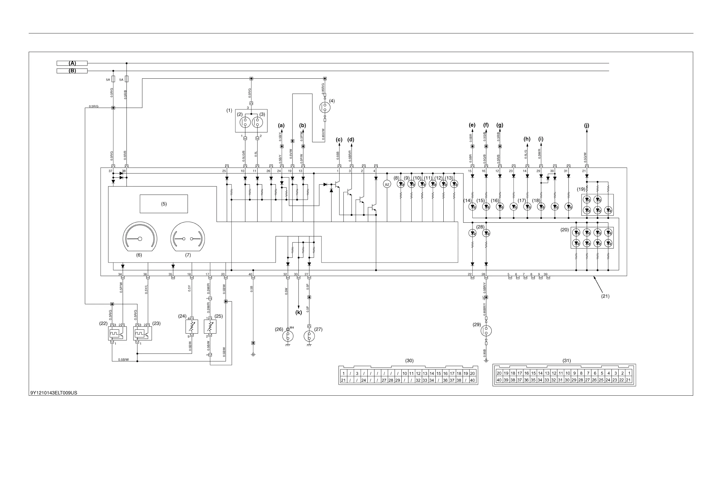
(4) Instrument Panel Board (Meter Panel)
(1) Display Mode Swlect Switch
(2) PTO/Hour
(3) Speed Unit
(4) PTO Change Switch
(5) LCD Display
(6) Tacho Meter
(7) Fuel/Temperature Meter
(8) Engine Oil Pressure Indicator
(9) Charge Indicator
(10) PTO Indicator
(11) Heater Indicator
(12) Fuel Level Indicator
(13) Parking Brake Indicator
(14) High Beam Indicator
(15) Turn Signal (L.H.) Indicator
(16) Turn Signal (R.H.) Indicator
(17) Trailer Indicator
(18) 4WD Indicator
(19) Back Light
(20) LCD Back Light
(21) Meter Panel
(22) Traveling Speed Sensor
(23) Engine Rotation Sensor
(24) Fuel Sensor
(25) Engine Coolant Temperature Sensor
(26) Engine Oil Pressure Switch
(27) Parking Brake Switch
(28) Air Cleaner Indicator
(29) Air Cleaner Switch
(30) Meter Panel (Wire Harness Side)
(31) Meter Panel Side
(A) Light / Defogger
(B) ACC
(a) To Main Key (Start)
(b) To PTO Switch
(c) To Glow Relay
(d) To Engine Stop Relay
(e) To Light Switch (High Beam)
(f) To Flasher Unit (Output L)
(g) To Flasher Unit (Output R)
(h) To Flasher Unit (Trailer)
(i) To DT Switch
(j) To Light Switch
(k) To Alternator
KiSC issued 07, 2012 A

Table of Contents

Related product manuals