EasyManua.ls Logo

wsm M7040 - Instrument Panel Board (Meter Panel) (Except ITA Model)

wsm M7040
588 pages
Print Icon
To Next Page IconTo Next Page
To Next Page IconTo Next Page
To Previous Page IconTo Previous Page
To Previous Page IconTo Previous Page
Loading...
ELECTRICAL SYSTEM
M6040, M7040, WSM
9-M14
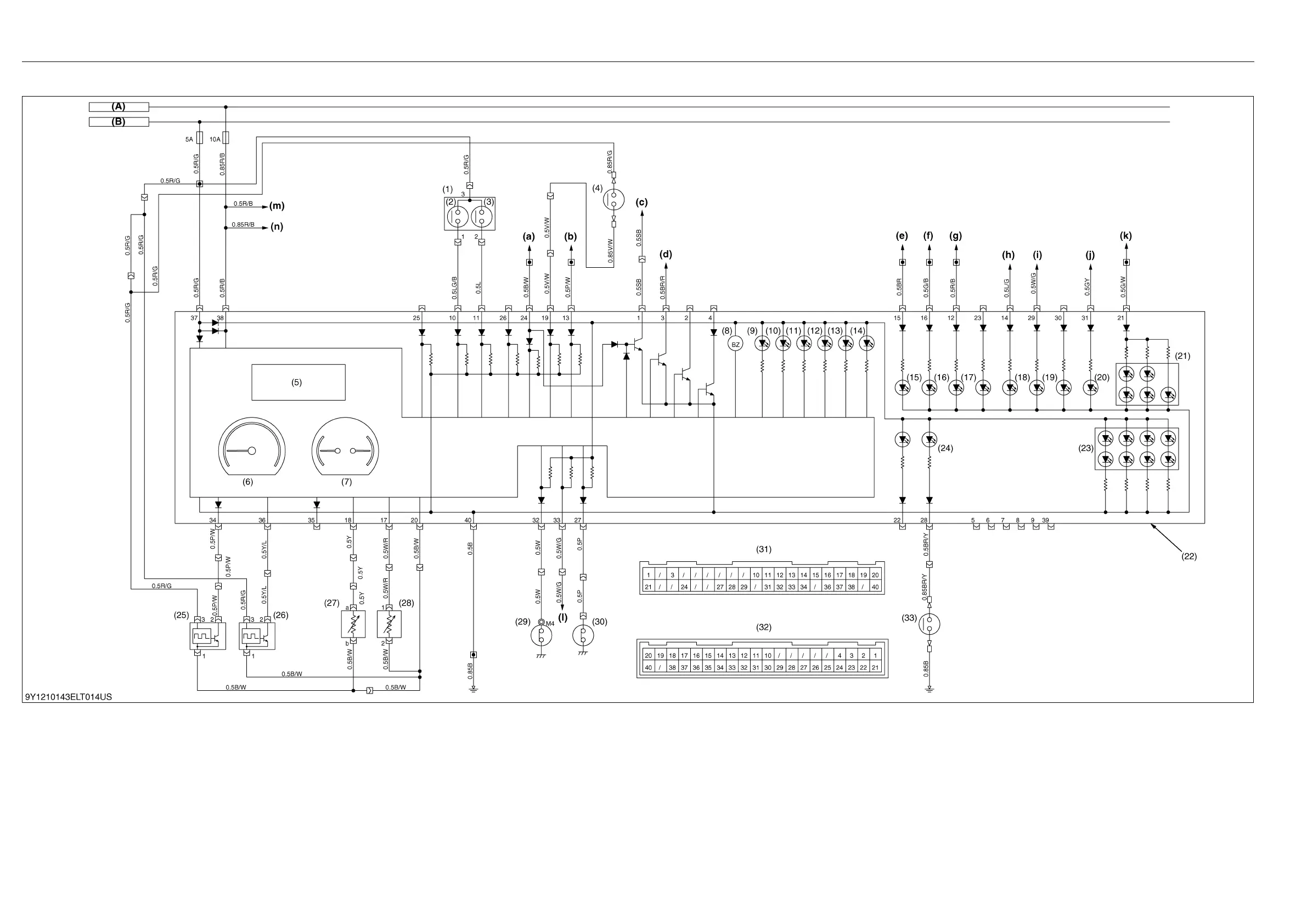
(5) Instrument Panel Board (Meter Panel) (Except ITA Model)
(1) Display Mode Select Switch
(2) PTO/Hour
(3) Speed Unit
(4) PTO Change Switch
(5) LCD Display
(6) Tacho Meter
(7) Fuel/Temperature Meter
(8) Buzzer
(9) Engine Oil Pressure Indicator
(10) Charge Indicator
(11) PTO Indicator
(12) Heater Indicator
(13) Fuel Level Indicator
(14) Parking Indicator
(15) High Beam Indicator
(16) Turn Signal (L.H.) Indicator
(17) Turn Signal (R.H.) Indicator
(18) Trailer Indicator
(19) 4WD Indicator
(20) Rear Differential Lock Indicator
(21) Back Light
(22) Meter Panel
(23) LCD Back Light
(24) Air Cleaner Indicator
(25) Traveling Speed Sensor
(26) Engine Rotation Sensor
(27)Fuel Sensor
(28) Engine Coolant Temperature Sensor
(29) Engine Oil Pressure Switch
(30) Parking Brake Switch
(31) Meter Panel (Wire Harness Side
(32) Meter Panel Side
(33) Air Cleaner Switch
(A) Light / Defogger
(B) ACC
(a) To Main Key (Start)
(b) To PTO Switch
(c) To Heater Relay
(d) To Engine Stop Relay
(e) To Light Switch (High Beam)
(f) To Flasher Unit (Output L)
(g) To Flasher Unit (Output R)
(h) To Flasher Unit (Trailer)
(i) To 4WD Switch
(j) To Diff. Lock Switch
(k To Light Switch
(l) To Alternator
(m) To Dome Light
(n) To Horn Switch
KiSC issued 07, 2012 A

Table of Contents

Related product manuals