EasyManua.ls Logo

wsm M7040 - Lighting System

wsm M7040
588 pages
Print Icon
To Next Page IconTo Next Page
To Next Page IconTo Next Page
To Previous Page IconTo Previous Page
To Previous Page IconTo Previous Page
Loading...
ELECTRICAL SYSTEM
M6040, M7040, WSM
9-M7
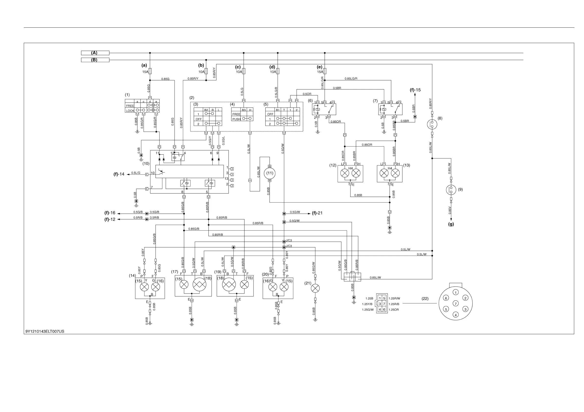
(2) Lighting System
(1) Hazard Switch (14 V, 1.4 W)
(2) Combination Light Switch
(3) Turn Switch
(4) Horn Switch
(5) Head Light Switch
(6) Head Light LO Relay
(7) Head Light HI Relay
(8) Brake Switch R.H.
(9) Brake Switch L.H.
(10) Flasher Unit
(11) Horn
(12) Head Light L.H. (H4 12 V, 55/60 W)
(13) Head Light R.H. (H4 12 V, 55/60 W)
(14) Front Combination Lamp L.H.
(15) Position Lamp (10 W)
(16) Turn Lamp (21 W)
(17) Rear Combination Lamp L.H.
(18) Tail/Stop Lamp (5/21 W)
(19) Rear Combination Lamp R.H.
(20) Front Combination Lamp R.H.
(21) Lisence Lamp (10 W)
(22) Trailer Socket Assembly
(A) Key/Light
(B) Key/IG
(a) Fuse (Flasher/Hazard)
(b) Fuse (Turn Signal/Stop Lamp)
(c) Fuse (Horn)
(d) Fuse (Position Lamp/Number Lamp)
(e) Fuse (Head Light)
(f) To Meter Panel
(g) To Diode (4WD Brake)
KiSC issued 07, 2012 A

Table of Contents

Related product manuals