EasyManua.ls Logo

Yamaha F150A - Single Outboard Motor Application (Conventional Gauge)

Yamaha F150A
493 pages
Print Icon
To Next Page IconTo Next Page
To Next Page IconTo Next Page
To Previous Page IconTo Previous Page
To Previous Page IconTo Previous Page
Loading...
3-31
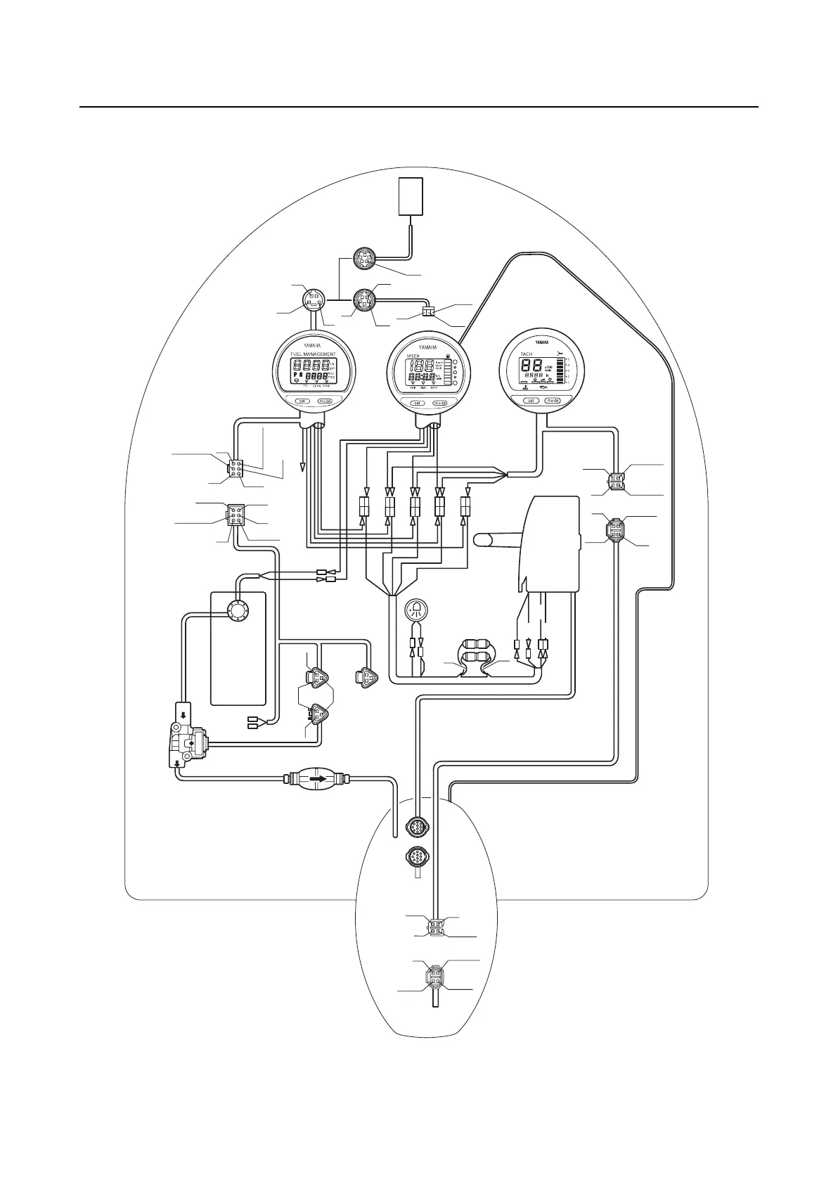
System diagram
Single outboard motor application (conventional gauge)
IN
UP
OUT
W(+)
*1
Gy
P/B
P/B
Pu
Gy
P/W
G/R
Gy
Pu/W
Pu/W
G/W
O/B
Pu
Pu
W/R
W/R
G/R
G/W
G/R
G
Y
R
R
R
B
B
W
W
W
R
P
P
O
O
B
W
G
P
P
W
R
B
B
O
O
O
B
B
R
Y
L
B
G
*1
Y
1
234
5
6
7
89
10
11
RB
G
Y
LY
LY
12

Table of Contents

Other manuals for Yamaha F150A

Related product manuals