EasyManua.ls Logo

Yamaha F150A - Crankcase

Yamaha F150A
493 pages
Print Icon
To Next Page IconTo Next Page
To Next Page IconTo Next Page
To Previous Page IconTo Previous Page
To Previous Page IconTo Previous Page
Loading...
7-61
Crankcase
0
1
2
3
4
5
6
7
8
9
10
A
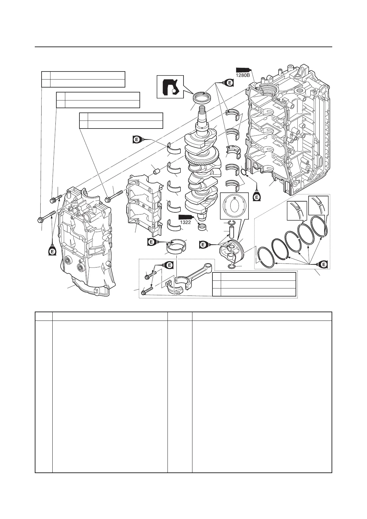
Crankcase
No. Part name Q’ty Remarks
1 Crankcase 1
2Bolt 10 M10 × 85 mm
3Bolt 10 M8 × 55 mm
4 Main bearing cap 1
5 Dowel 10
6 Crankshaft journal bearing 5
7 Oil seal 1 Not reusable
8 Crankshaft 1
9 Crankshaft journal bearing 4
10 Thrust bearing 1
11 O-ring 1 Not reusable
12 Cylinder block 1
13 Collar 1 Not reusable
14 Crankpin bearing 8
15 Connecting rod assembly 4
16 Connecting rod bolt 8 Not reusable, M9 × 44 mm
17 Clip 8 Not reusable
2
2
3
1
5
4
12
7
9
10
6
8
11
6
6
6
6
9
13
16
15
20
14
14
16
17
18
17
19
a
b
c
13 N·m (1.3 kgf·m, 9.6 ft·lb)
23 N·m (2.3 kgf·m, 17.0 ft·lb)
90°
a
b
30 N·m (3.0 kgf·m, 22.1 ft·lb)
90q
a
b
14 N·m (1.4 kgf·m, 10.3 ft·lb)
28 N·m (2.8 kgf·m, 20.7 ft·lb)
a
b
30 N·m (3.0 kgf·m, 22.1 ft·lb)
90q

Table of Contents

Other manuals for Yamaha F150A

Related product manuals