EasyManua.ls Logo

Yamaha F150A - Page 287

Yamaha F150A
493 pages
Print Icon
To Next Page IconTo Next Page
To Next Page IconTo Next Page
To Previous Page IconTo Previous Page
To Previous Page IconTo Previous Page
Loading...
7-62
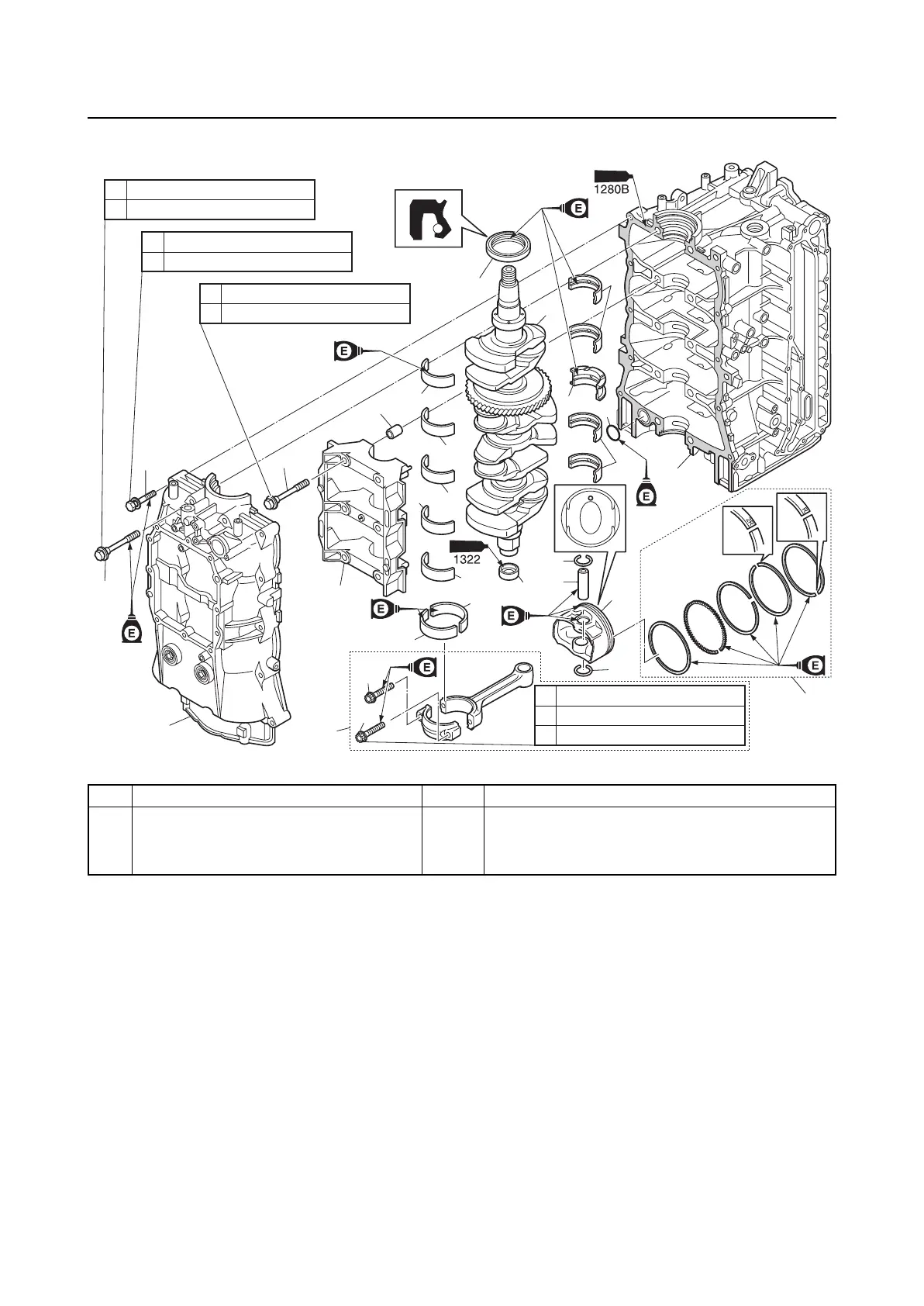
Crankcase
No. Part name Q’ty Remarks
18 Piston pin 4
19 Piston 4
20 Piston ring set 4
2
2
3
1
5
4
12
7
9
10
6
8
11
6
6
6
6
9
13
16
15
20
14
14
16
17
18
17
19
a
b
c
13 N·m (1.3 kgf·m, 9.6 ft·lb)
23 N·m (2.3 kgf·m, 17.0 ft·lb)
90°
a
b
30 N·m (3.0 kgf·m, 22.1 ft·lb)
90q
a
b
14 N·m (1.4 kgf·m, 10.3 ft·lb)
28 N·m (2.8 kgf·m, 20.7 ft·lb)
a
b
30 N·m (3.0 kgf·m, 22.1 ft·lb)
90q

Table of Contents

Other manuals for Yamaha F150A

Related product manuals