EasyManua.ls Logo

Yamaha F150A - Twin Outboard Motor Application (6 Y8 Multifunction Meter)

Yamaha F150A
493 pages
Print Icon
To Next Page IconTo Next Page
To Next Page IconTo Next Page
To Previous Page IconTo Previous Page
To Previous Page IconTo Previous Page
Loading...
3-33
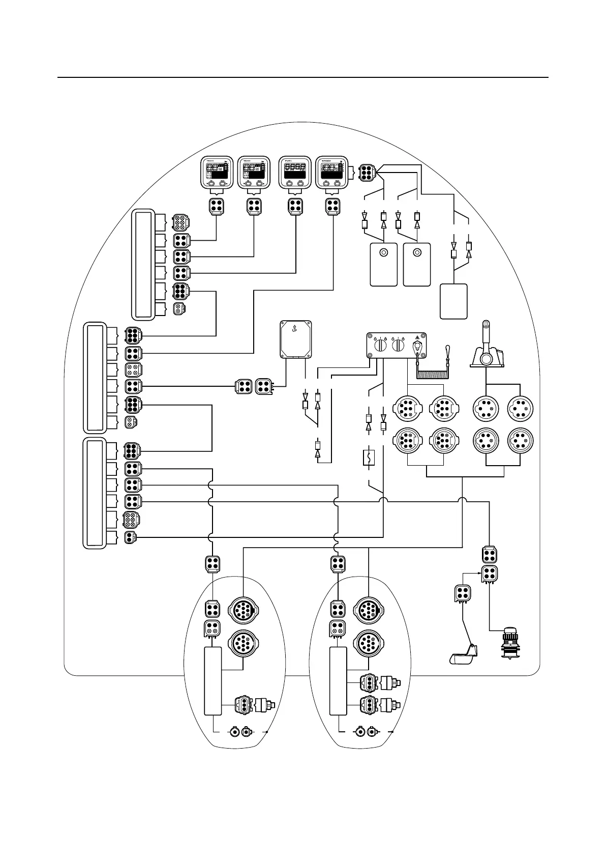
System diagram
Twin outboard motor application (6Y8 Multifunction Meter)
B P B P/B
WL
Y
Y
Y
B
B
RRR
R
*1
PP
44
3
PP
3
2
11
6
7
8
9
9
10
11
12
12
12
12
12
12
12
12
9
11
13
13
14
14
15
16 16 17 18
19 19
20
21
22
23
a
b
c
c
c
b
a
b
c
c
c
b
a
b
c
c
c
b
AB
5

Table of Contents

Other manuals for Yamaha F150A

Related product manuals