EasyManua.ls Logo

Yamaha F150A - Fuel Injector

Yamaha F150A
493 pages
Print Icon
To Next Page IconTo Next Page
To Next Page IconTo Next Page
To Previous Page IconTo Previous Page
To Previous Page IconTo Previous Page
Loading...
6-30
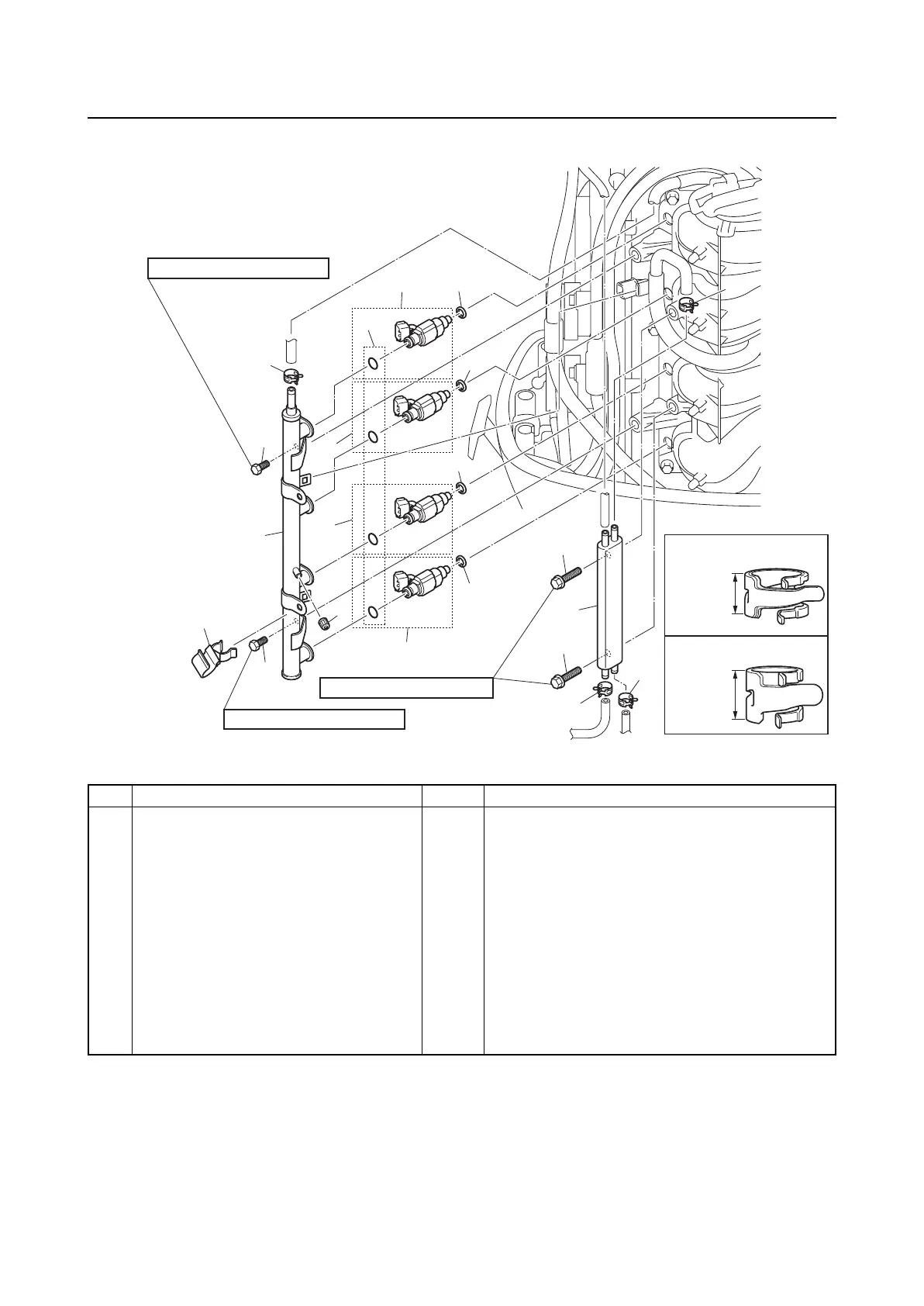
Fuel injector
0
1
2
3
4
5
6
7
8
9
10
A
Fuel injector
No. Part name Q’ty Remarks
1 Holder 1
2Cap 1
3Bolt 2 M8
× 18 mm
4 Fuel rail 1
5 Clamp 3
6 O-ring set 1 Not reusable
7 Fuel injector 4
8 Rubber seal 4 Not reusable
9Bolt 2 M6
× 25 mm
10 Fuel cooler 1
11 Clamp 1
1
2
3
3
4
5
6
7
7
7
7
8
8
8
8
5
5
11
9
9
10
11
5
12 mm
(0.47 in)
10 mm
(0.39 in)
5 N·m (0.5 kgf·m, 3.7 ft·lb)
13 N·m (1.3 kgf·m, 9.6 ft·lb)
13 N·m (1.3 kgf·m, 9.6 ft·lb)

Table of Contents

Other manuals for Yamaha F150A

Related product manuals