EasyManua.ls Logo

Yamaha F150A - Twin Outboard Motor Application (Conventional Gauge)

Yamaha F150A
493 pages
Print Icon
To Next Page IconTo Next Page
To Next Page IconTo Next Page
To Previous Page IconTo Previous Page
To Previous Page IconTo Previous Page
Loading...
3-35
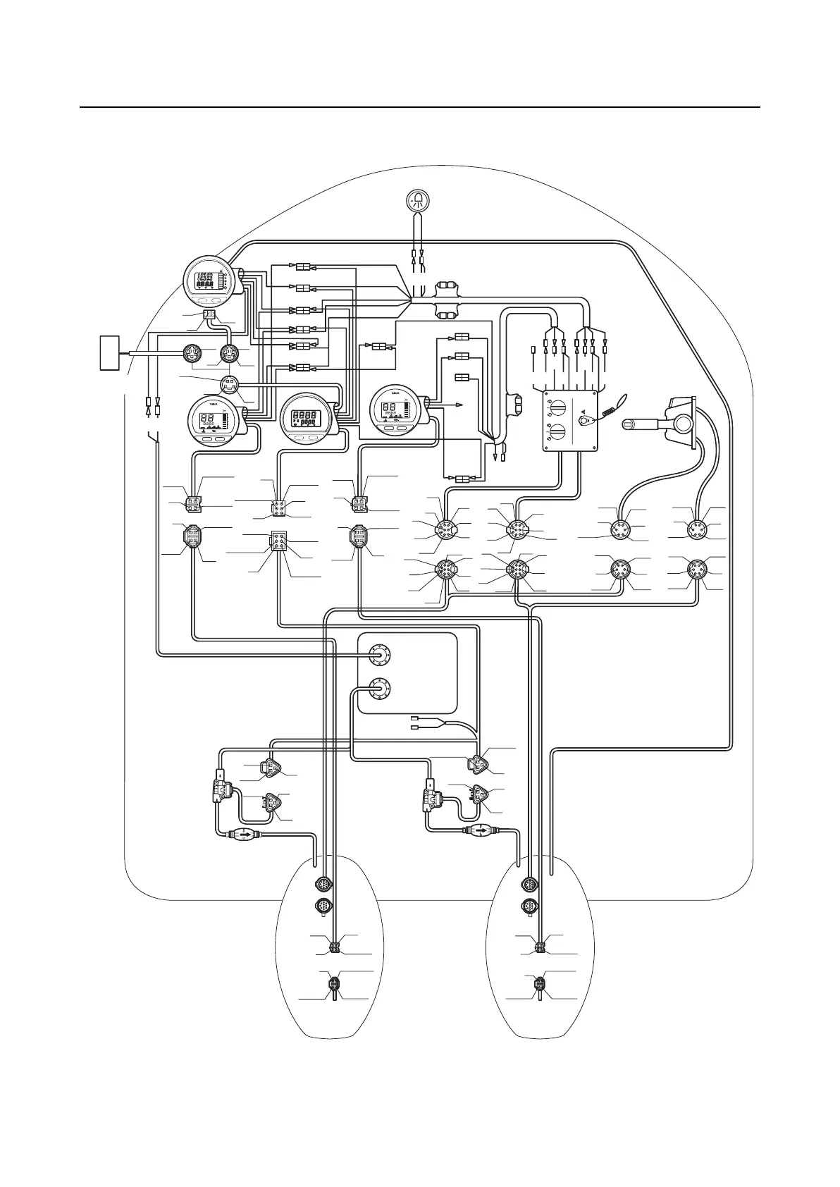
System diagram
Twin outboard motor application (conventional gauge)
TRIP TIME BATT
Km/h
knot
mph
km
mile
SPEED
YA M AHA
set
mode
FUEL MANA GEMENT
YA M AHA
set
mode
1/h
gph
Km/L
mpg
TTL
ECON SYNC
1
2
3
4
5
TAC H
x
100
r/min
set mode
h
1
2
3
4
5
TAC H
x
100
r/min
set mode
h
Pu
Pu
B
B
Br
Br
B
B
O
O
O
Y
YY
Y
Y
Y
Y
Y
Y
Y
L
L
L
R
R
R
R
R
G
G
G
G
G
R
R
G
B
B
B
B
B
B
B
B
L
G
G
P
Gy
Gy
G/W
G/W
G/W
W/R
Pu/W
O/B
W/R
Pu/W
Pu/W
G/R
G/R
O/B
G/R
G/R
Gy
Gy
P
P
P
P
P
W(+)
W
B
R
R
B
W
Pu
Pu
Pu
O
O
O
B
B
B
P/W
P/ B
P/ B
Gy
G
P
P
P/W
G/R
G/R
P/BP/B
Gy
G
P
P
W
W
W
W
B
B
Br
Br
Br
Br
R
Br
Br
B
Y
L
Lg
G
R
L
W
R
R
G
P
Y
P
Sb
R
Lg
Sb
B
Br
Br
Br
B
Br
Lg
R
Sb
R
Lg
Sb
B
B
R
W
*1
*1
IN
UP
OUT
IN
UP
OUT
1
2
3
3
4
5
6
7
7
8
9
1011
1011
12
12
Y
L
W
B
YL
LY
13

Table of Contents

Other manuals for Yamaha F150A

Related product manuals