EasyManua.ls Logo

Yamaha F150A - Page 231

Yamaha F150A
493 pages
Print Icon
To Next Page IconTo Next Page
To Next Page IconTo Next Page
To Previous Page IconTo Previous Page
To Previous Page IconTo Previous Page
Loading...
7-6
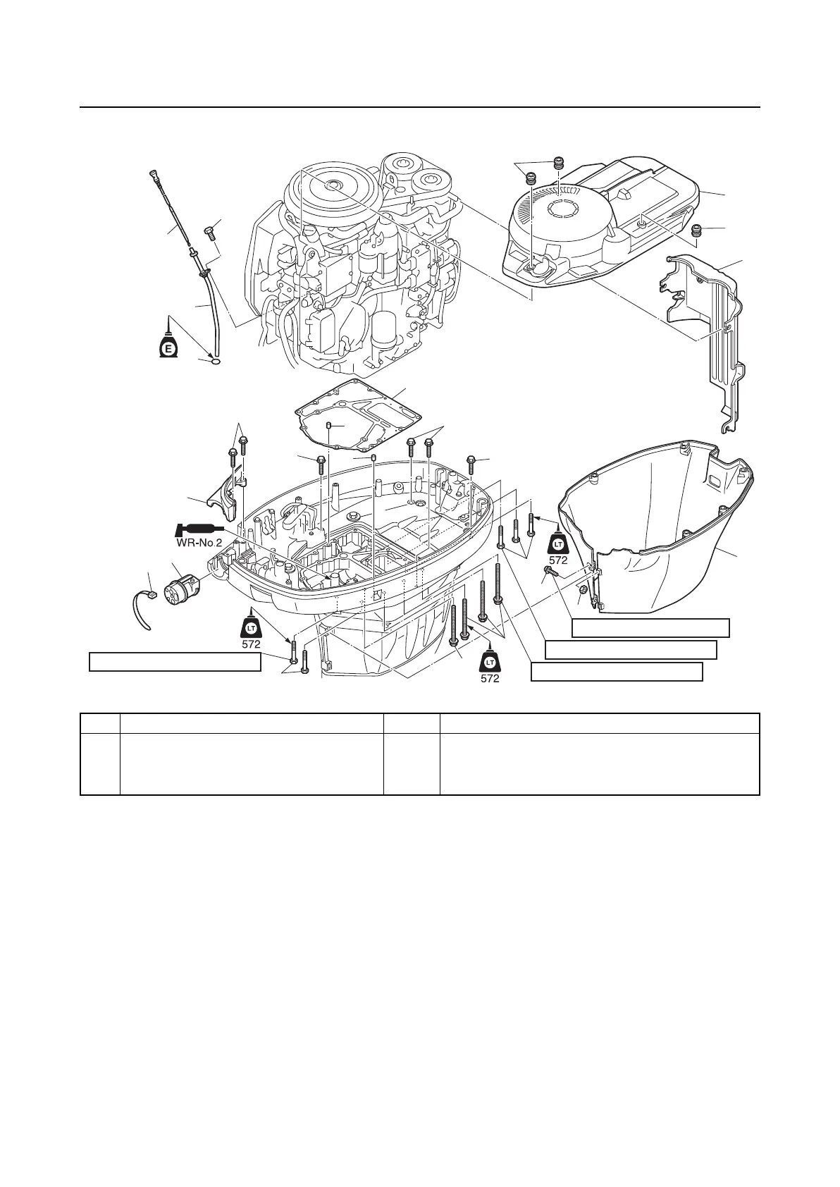
Power unit assembly
No. Part name Q’ty Remarks
18 Dipstick guide 1
19 Bolt 1 M6 × 16 mm
20 Dipstick 1
1
1
2
3
4
5
6
7
9
10
10
10
11
12
13
14
15
15
16
17
18
19
20
8
8
4 N·m (0.4 kgf·m, 3.0 ft·lb)
42 N·m (4.2 kgf·m, 31.0 ft·lb)
42 N·m (4.2 kgf·m, 31.0 ft·lb)
20 N·m (2.0 kgf·m, 14.8 ft·lb)

Table of Contents

Other manuals for Yamaha F150A

Related product manuals