EasyManua.ls Logo

Yamaha F150A - Page 259

Yamaha F150A
493 pages
Print Icon
To Next Page IconTo Next Page
To Next Page IconTo Next Page
To Previous Page IconTo Previous Page
To Previous Page IconTo Previous Page
Loading...
7-34
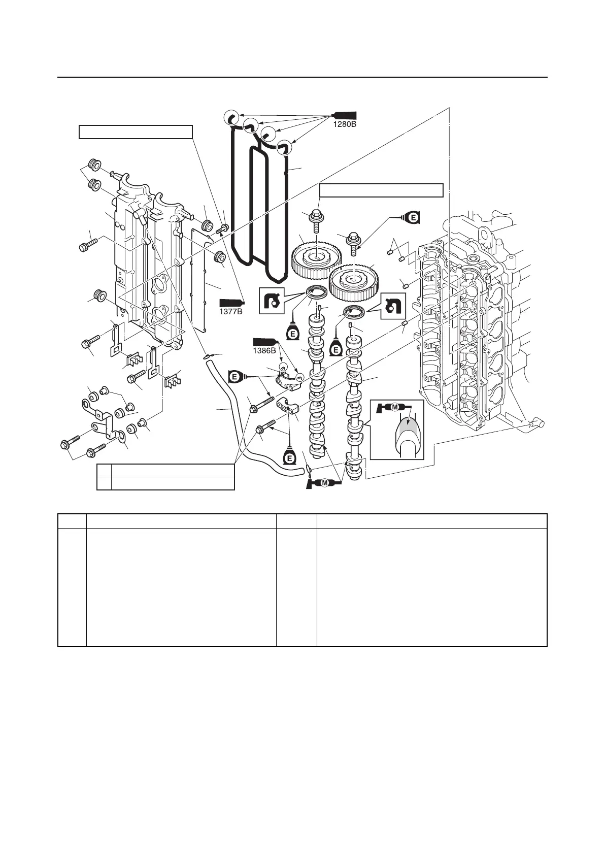
Camshaft
No. Part name Q’ty Remarks
18 Camshaft 1 EX
19 Oil seal 2 Not reusable
20 Dowel 2
21 Camshaft 1 IN
22 Driven sprocket 2
23 Bolt 2 M10 × 35 mm
24 Dowel 4
25 Gasket 1 Not reusable
11
9
8
10
5
5
7
5
25
23
23
22
24
22
19
19
20
20
17
16
15
14
18
21
12
12
13
8
8
8
4
4
3
3
2
1
3
24
24
6
7
6
60 N·m (6.0 kgf·m, 44.3 ft·lb)
a
b
9 N·m (0.9 kgf·m, 6.6 ft·lb)
17 N·m (1.7 kgf·m, 12.5 ft·lb)
2 N·m (0.2 kgf·m, 1.5 ft·lb)

Table of Contents

Other manuals for Yamaha F150A

Related product manuals