EasyManua.ls Logo

NSK Megatorque PS Series - Page 23

NSK Megatorque PS Series
370 pages
To Next Page IconTo Next Page
To Next Page IconTo Next Page
To Previous Page IconTo Previous Page
To Previous Page IconTo Previous Page
Loading...
— 2-3 —
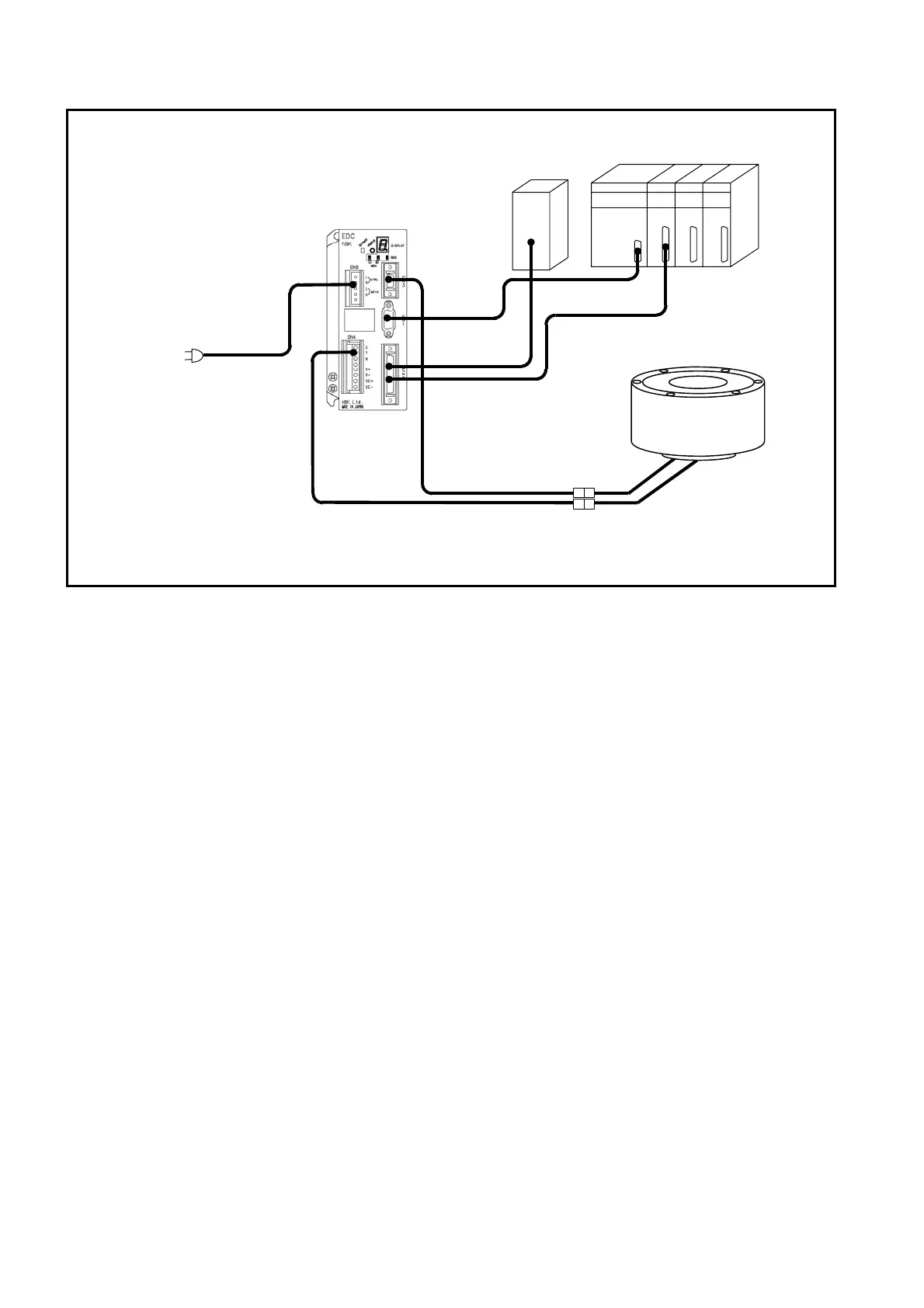
Fig 2-3: System configuration for RS-232C serial communication command positioning
Cable set
Single phase :
200 to 230 [VAC]
or
100 to 115 [VAC]
Main power
PS series Megatorque
Motor
PLC*
Motor controller*
24 VDC
power supply*
Motor cable
Resolver cable
Control I/O signal
Control power
RS-232C
communi-
cation
EDC Driver Unit
* The user shall provide these devices

Table of Contents

Related product manuals