EasyManua.ls Logo

wsm M7040 - Page 284

wsm M7040
588 pages
Print Icon
To Next Page IconTo Next Page
To Next Page IconTo Next Page
To Previous Page IconTo Previous Page
To Previous Page IconTo Previous Page
Loading...
TRANSMISSION
M6040, M7040, WSM
3-S34
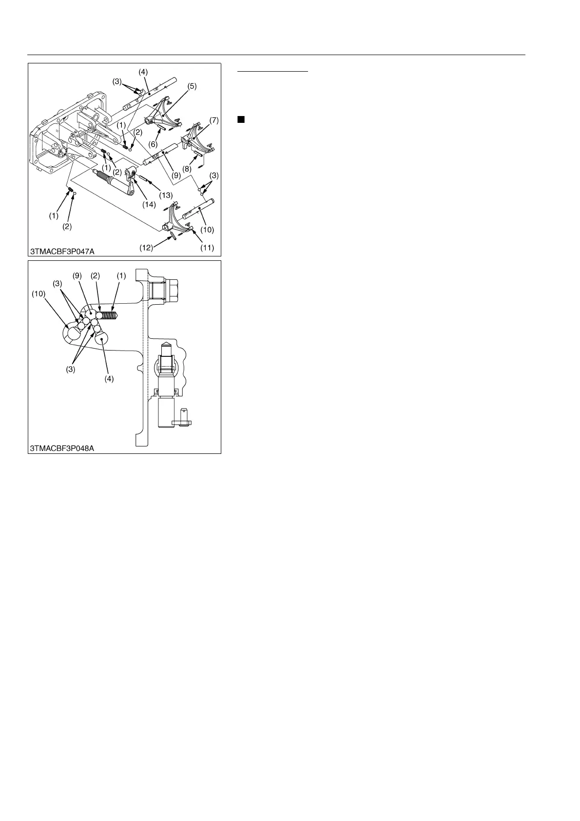
Main Shift Fork
1. Remove the roll pin (12), fork rod (10) and 1st-2nd fork (11).
2. Remove the roll pin (13) and (8), fork rod (9) and 3rd-4th fork (7).
3. Remove the roll pin (6), fork rod (4) and 5th fork (5).
NOTE
Take care not to lose the balls and springs.
The inner lock ball (3) uses 2 balls for each position.
(When reassembling)
Be sure to assemble the detent balls (2) with springs (1) and
inter lock balls (3).
9Y1210143TRS0059US0
(1) Spring
(2) Ball (Detent)
(3) Ball (Inter Lock)
(4) Fork Rod
(5) 5th Fork
(6) Roll Pin
(7) 3rd-4th Fork
(8) Roll Pin
(9) Fork Rod
(10) Fork Rod
(11) 1st-2nd Fork
(12) Roll Pin
(13) Roll Pin
(14) Shifter
KiSC issued 07, 2012 A

Table of Contents

Related product manuals