EasyManua.ls Logo

wsm M7040 - Page 76

wsm M7040
588 pages
Print Icon
To Next Page IconTo Next Page
To Next Page IconTo Next Page
To Previous Page IconTo Previous Page
To Previous Page IconTo Previous Page
Loading...
GENERAL
M6040, M7040, WSM
G-55
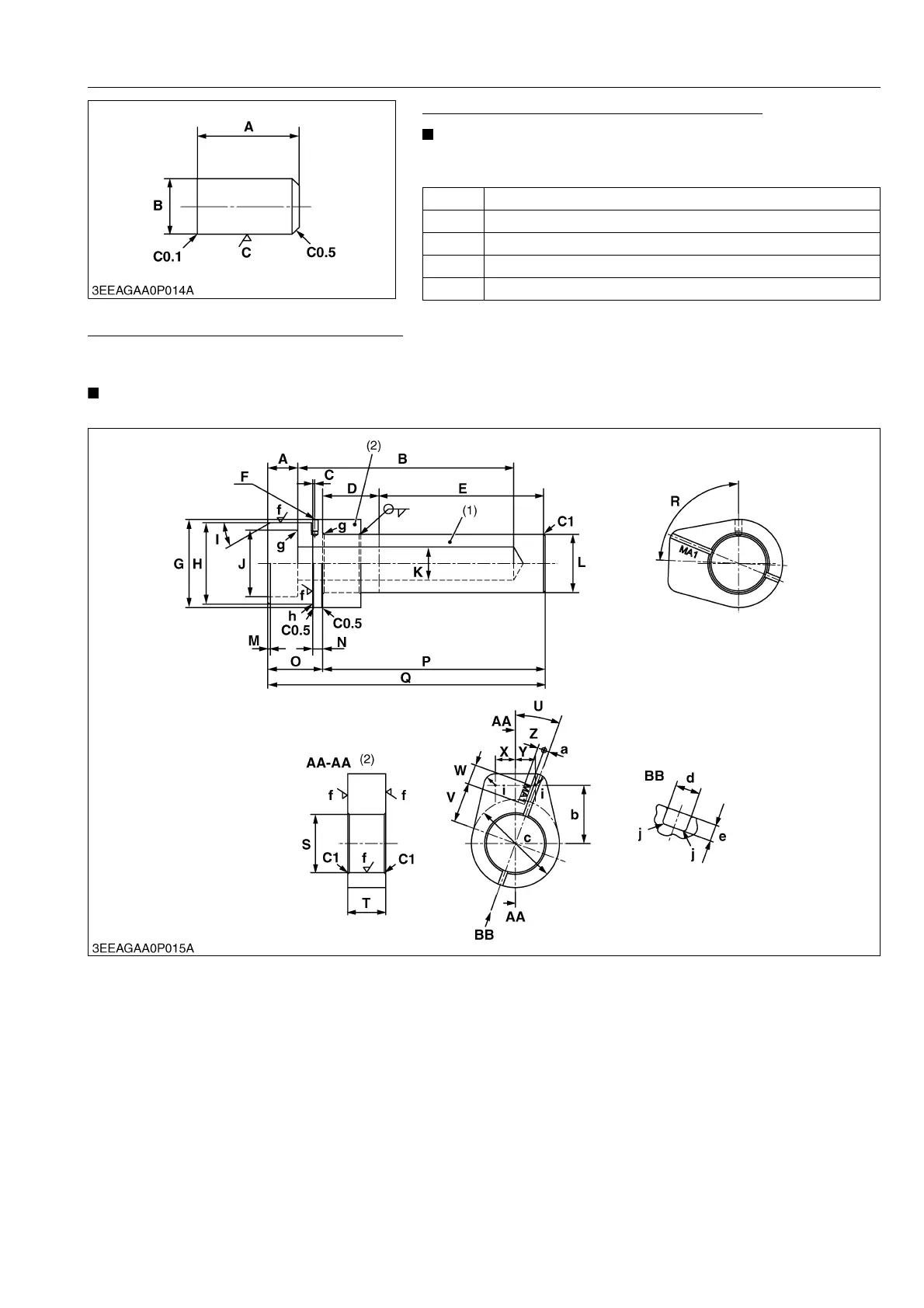
Pin for Balancer Shaft Bearing Replacing Tool
NOTE
The following special tools are not provided, so make them
referring to the figure.
9Y1210143GEG0087US0
Balancer Shaft 1 Bearing A Replacing Tool
Application
Use to press fit the bearing.
NOTE
The following special tools are not provided, so make them referring to the figure.
(To be continued)
A 7.2 to 7.4 mm (0.283 to 0.291 in.)
B 4.0 mm dia. (0.158 in. dia.)
C Ra = 0.8 a
C0.1 Chamfer 0.1 mm (0.0039 in.)
C0.5 Chamfer 0.5 mm (0.0197 in.)
(1) Shaft (2) Stopper
KiSC issued 07, 2012 A

Table of Contents

Related product manuals