EasyManua.ls Logo

wsm M7040 - Page 95

wsm M7040
588 pages
Print Icon
To Next Page IconTo Next Page
To Next Page IconTo Next Page
To Previous Page IconTo Previous Page
To Previous Page IconTo Previous Page
Loading...
GENERAL
M6040, M7040, WSM
G-74
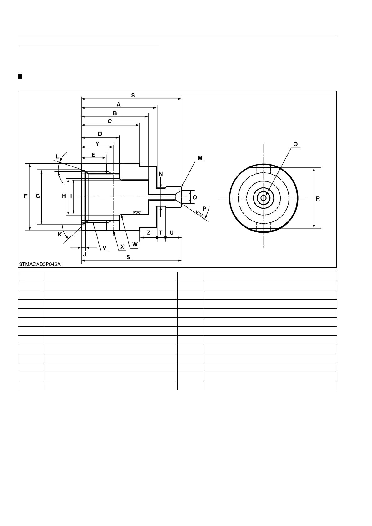
Cylinder Safety Valve Setting Pressure Adaptor
Application
Use to adapt the safety valve to the nozzle tester to measure cracking pressure and test the check valve on the
safety valves.
NOTE
The following special tools are not provided, so make them referring to the figure.
9Y1210143GEG0107US0
A 45 mm (1.77 in.) N 10 mm dia. (0.39 in. dia.)
B 40 mm (1.58 in.) O 7.5 mm dia. (0.3 in. dia.)
C 35 mm (13.8 in.) P 1.05 rad (60 °)
D 23 to 23.3 mm (0.9055 to 0.9713 in.) Q 3 mm dia. (1.18 in. dia.)
E 16 mm (0.63 in.) R 36 mm (1.18 in.)
F 40 mm dia. (1.58 in. dia.) S 60 mm (2.36 in.)
G 32.4 to 32.7 mm dia. (1.2756 to 1.2874 in. dia.) T 5 mm (0.20 in.)
H 21 mm dia. (0.83 in. dia.) U 10 mm (0.39 in.)
I 20 to 20.05 mm dia. (0.7874 to 0.7894 in. dia.) V M30 × P1.5
J 2.5 to 2.59 mm (0.0984 to 0.1097 in.) W 0.52 rad (30 °)
K 0.79 rad (45 °) X 8 mm dia. (0.32 in. dia.)
L 0.26 rad (15 °) Y 19 mm (0.75 in.)
M M12 × P1.5 Z 10 mm (0.39 in.)
KiSC issued 07, 2012 A

Table of Contents

Related product manuals