EasyManua.ls Logo

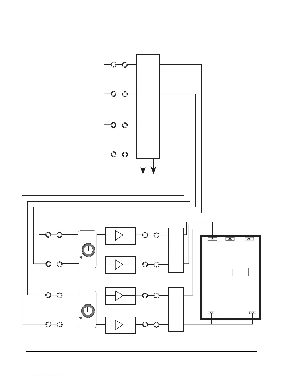
Euphonix CS3000 - Film 4-Track Dolby Monitoring Diagram

Euphonix CS3000
324 pages
Print Icon
To Next Page IconTo Next Page
To Next Page IconTo Next Page
To Previous Page IconTo Previous Page
To Previous Page IconTo Previous Page
Loading...
Section 4: Tutorial
4 - 56 Euphonix CS3000/2000 Operation Manual
Bal
Out
Bal
Out
Bal
Out
Bal
Out
A Left
A Right
B Left
B Right
MON A
MON B
EXT1 A
Left & Right
EXT2 A
Center & Surround
A & B Mon Link. LnkB
selected in Monitor A's
Menu.
Mon B
Controls
both A & B
Power
Amp
Power
Amp
EUPHONIX
CONSOLE
Dolby
DS4
Surround
Sound
System
Dolby Encoded Stereo
to Layback Machine
and to EXT1 B Input for
Stereo Encoded Monitoring
Left
Right
Center
Surround
Screen
ST1 L
ST1 R
ST2 L
ST2 R
Stereo
Output 1
Stereo
Output 2
4 Track Decoded Output
EXT1A L
EXT1A R
EXT2A L
EXT2A R
Film 4-Track Dolby
Monitoring Diagram

Table of Contents

Related product manuals