EasyManua.ls Logo

Euphonix CS3000 - Film 5.1 Monitoring Diagram

Euphonix CS3000
324 pages
Print Icon
To Next Page IconTo Next Page
To Next Page IconTo Next Page
To Previous Page IconTo Previous Page
To Previous Page IconTo Previous Page
Loading...
Section 4: Tutorial
Euphonix CS3000/2000 Operation Manual 4 - 57
Boom (LFE)
Bal
Out
Bal
Out
Bal
Out
C Left
C Right
B Left
B Right
EUPHONIX
CONSOLE
Screen
Bal
Out
A Left
A Right
Mon C
Controls
both A & B
ST2
EXT2A (L)
EXT2A (R)
EXT1A (L)
EXT1A (R)
Insert Return
MON A
MON B
Mon C
Selector
Mon A
Selector
Mon B
Selector
MON C
Front (L)
CUBE
Bus
Outputs
Front (R)
Center
Surround (L)
Surround (R)
Power
Amp
Power
Amp
Power
Amp
Bal
Out
Bal
Out
LR
C
B
SL SR
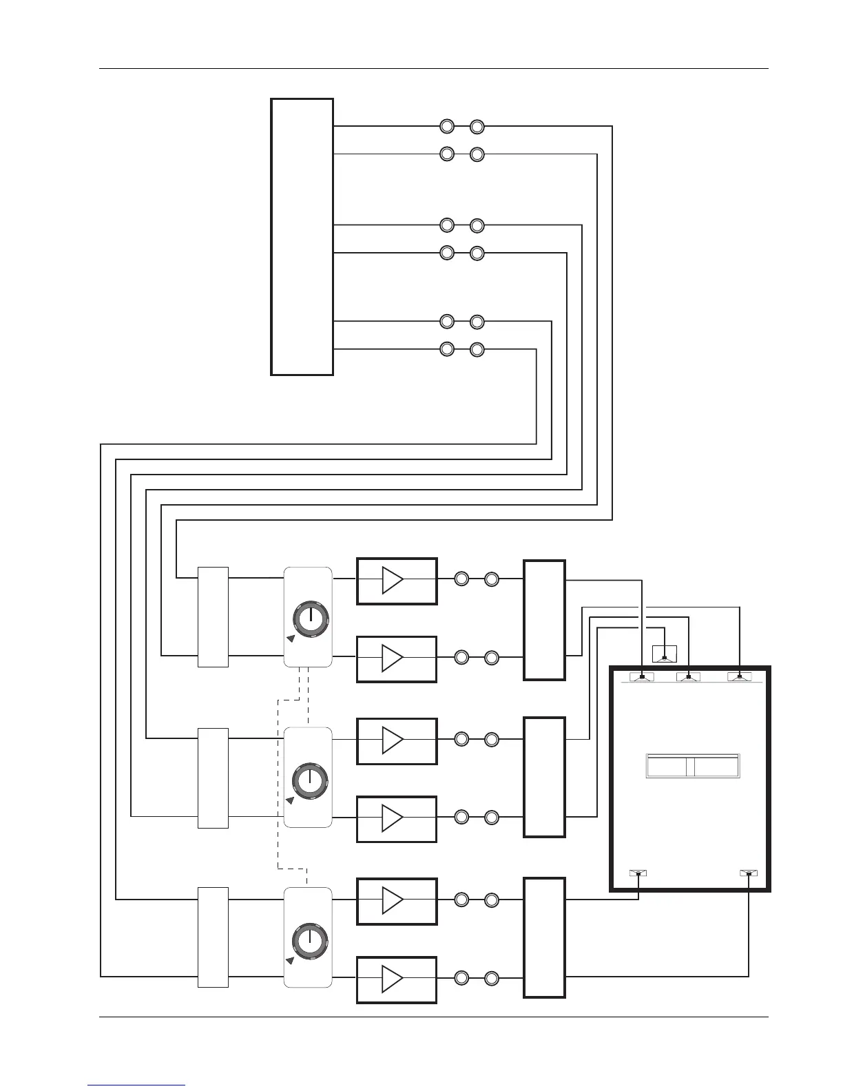
Film 5.1 Monitoring
Diagram

Table of Contents

Related product manuals