EasyManua.ls Logo

Euphonix CS3000 - CS3000 Master Audio Block Diagram (Stereo Outputs)

Euphonix CS3000
324 pages
Print Icon
To Next Page IconTo Next Page
To Next Page IconTo Next Page
To Previous Page IconTo Previous Page
To Previous Page IconTo Previous Page
Loading...
Section 1: Introduction
1 - 26 Euphonix CS3000/2000 Operation Manual
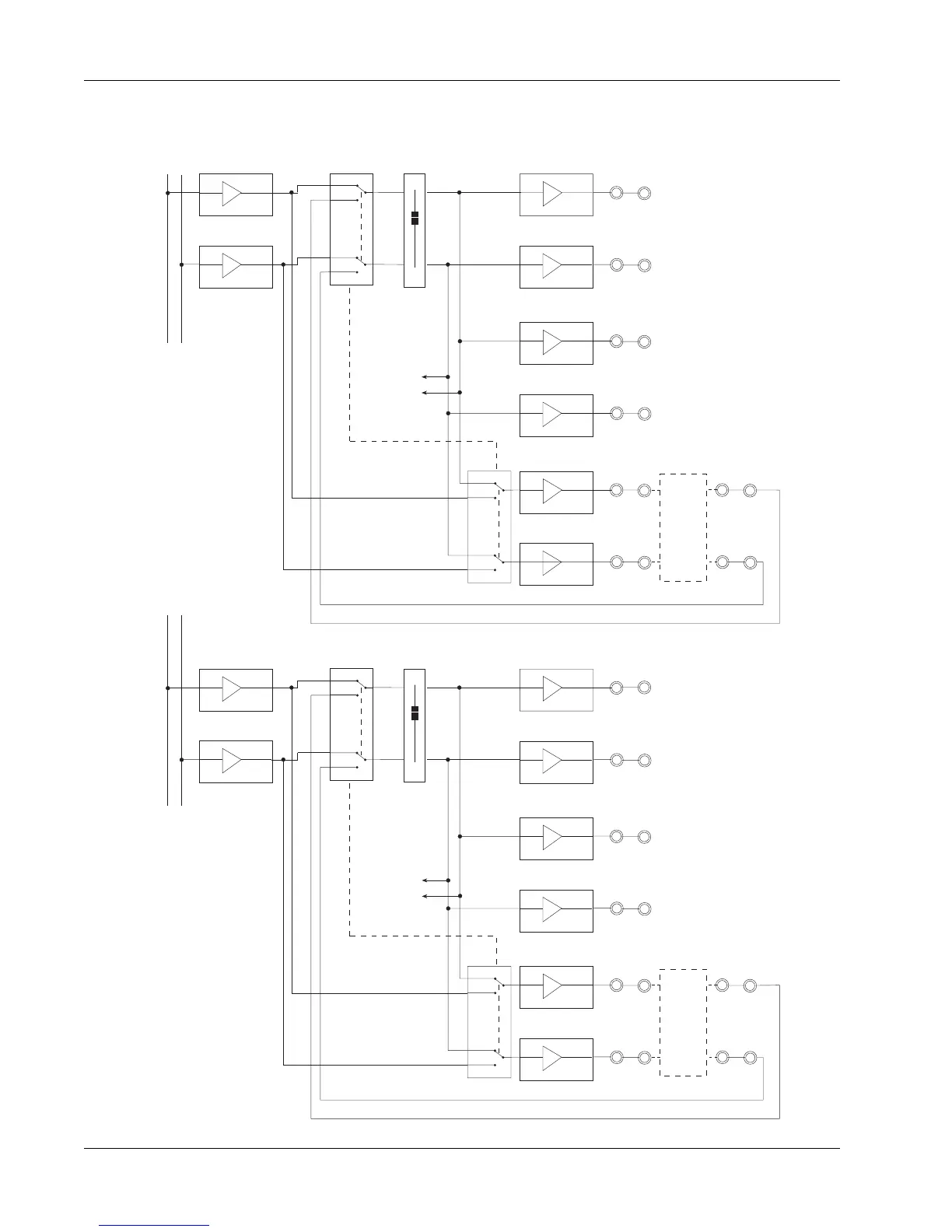
CS3000 Master Audio Block Diagram (Stereo Outputs)
STEREO 1 BUS
L R
BUS
AMP
ST1
Bal
Out
Bal
Out
Bal
Out
Bal
Out
Bal
Out
Bal
Out
External
Stereo
Comp
ST1L(A)
ST1R(A)
ST1L(B)
ST1R(B)
ST1L(C)
ST1R(C)
ST1L(INS)
ST1R(INS)
Stereo
pre-fader
insert relays
linked together
BUS
AMP
Pre-fader feed to
ST1 C
BUS
AMP
ST2
Bal
Out
Bal
Out
Bal
Out
Bal
Out
Bal
Out
Bal
Out
External
Effects
Device
ST2L(A)
ST2R(A)
ST2L(B)
ST2R(B)
ST2L(C)
ST2R(C)
ST2L(INS)
ST2R(INS)
Stereo
pre-fader
insert relays
linked together
BUS
AMP
Pre-fader feed to
ST2 C
ST1 feed to
Mon Select
& Meters
ST2 feed to
Mon Select
& Meters
STEREO 2 BUS
L R

Table of Contents

Related product manuals