EasyManua.ls Logo

Euphonix CS3000 - CS3000 Master Audio Block Diagram (Aux & Monitor Outputs)

Euphonix CS3000
324 pages
Print Icon
To Next Page IconTo Next Page
To Next Page IconTo Next Page
To Previous Page IconTo Previous Page
To Previous Page IconTo Previous Page
Loading...
Section 1: Introduction
Euphonix CS3000/2000 Operation Manual 1 - 27
AUX 1
Sine
Osc
AFL/
PFL
Bus
Aux Bus
1 - 8
ST1 ST2
Bus
A1
A3
A5
A7
EXT1 L
EXT2 L
ST1 L
ST2 L
Bus
Amp
Bus
Amp
Bus
Amp
Bus
Amp
Bus
Amp
Bus
Amp
Bus
Amp
A1
A3
A5
A7
EXT1 L
EXT2 L
ST1 L
ST2 L
A1
A3
A5
A7
EXT1 L
EXT2 L
ST1 L
ST2 L
Bal
Out
Bal
Out
Bal
Out
Bal
Out
Bal
Out
Bal
Out
Bal
Out
Bal
Out
A2
A4
A6
A8
EXT1 R
EXT2 R
ST1 R
ST2 R
A2
A4
A6
A8
EXT1 R
EXT2 R
ST1 R
ST2 R
A2
A4
A6
A8
EXT1 R
EXT2 R
ST1 R
ST2 R
Ext
In
Ext
In
Ext
In
Ext
In
Ext
In
Ext
In
Ext
In
Ext
In
Ext
In
Ext
In
Ext
In
Ext
In
ST1 Post Fader Feed ST2 Post Fader Feed
EXT2 (R)
EXT2 (L)
EXT1 (R)
EXT1 (L)
A
B
C
A
B
C
A
B
C
A
B
C
AUX 2
AUX 3
AUX 4
AUX 5
AUX 6
AUX 7
AUX 8
Bal
Out
Bal
Out
Bal
Out
Bal
Out
Bal
Out
Bal
Out
Bus
Amp
Bus
Amp
Bus
Amp
SOLO
Left
Right
Mon
A
Mon
B
Mon
C
MON A (L)
MON A (R)
MON B (L)
MON B (R)
MON C (L)
MON C (R)
MAIN & PHASE
METER MODULE
(optional)
EXT1A L
EXT1B L
EXT1C L
EXT1A R
EXT1B R
EXT1C R
EXT2A L
EXT2B L
EXT2C L
EXT2A R
EXT2B R
EXT2C R
Talkback Select and
Feeds to Buses
Aux Masters
TalkBack
Mic
Mic
Amp
AFL/PFL Select
Stereo, Mono, Left, Right Select
Monitor Select
EXT TB IN
TB OUT
or
(R)
(L)
(R)
(L)
(R)
(L)
Solo Bus
Bal
Out
Mon
D
Bal
Out
Bal
Out
C pre
This symbol represents a
multiple input selector/summing
circuit. It can select and sum any
combination of the inputs.
Solo
MultiTrack
Bus 1-24
Even
Odd
Ext2C
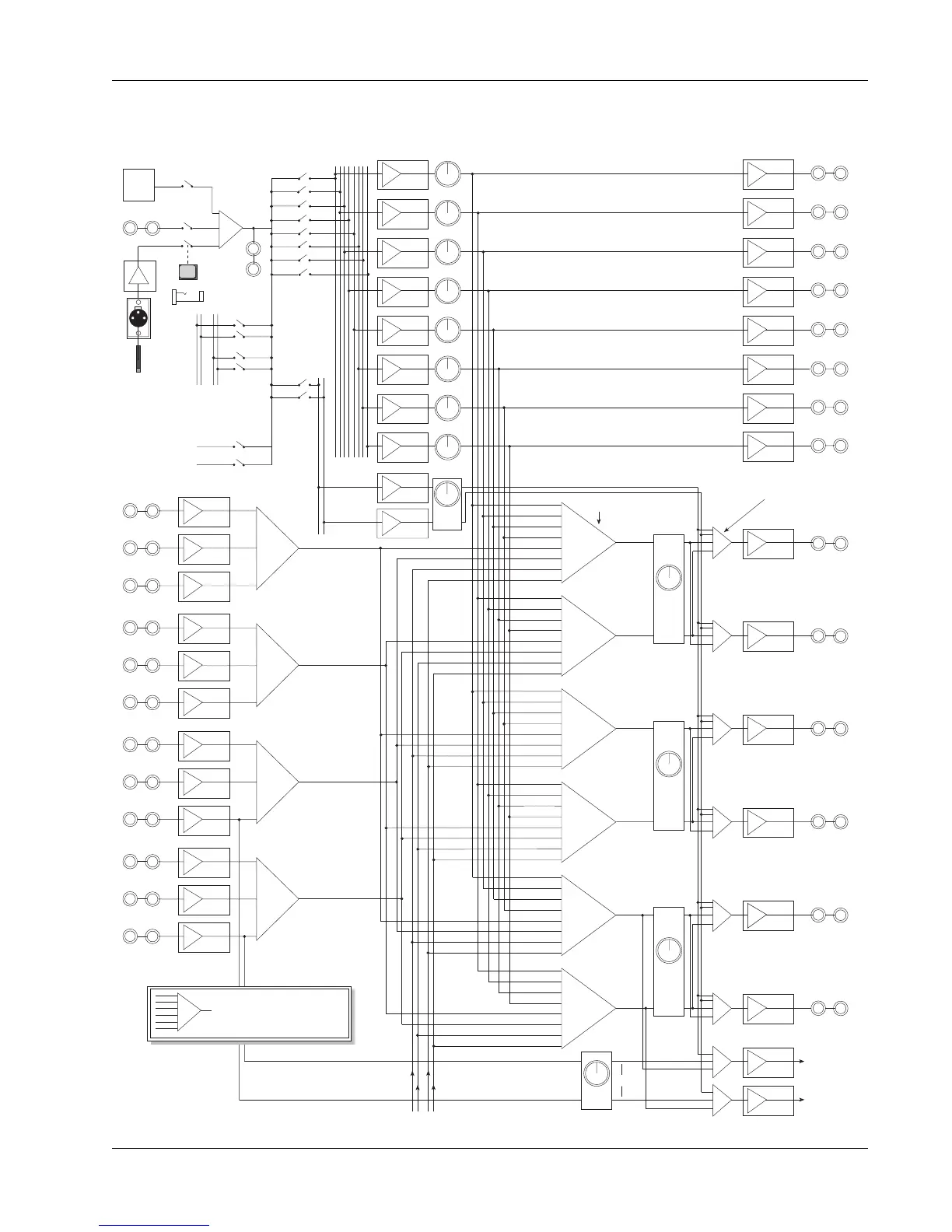
CS3000 Master Audio Block Diagram (Aux & Monitor Outputs)

Table of Contents

Related product manuals