EasyManua.ls Logo

Fujitsu PRIMERGY TX120 S3 - Page 371

Fujitsu PRIMERGY TX120 S3
440 pages
Print Icon
To Next Page IconTo Next Page
To Next Page IconTo Next Page
To Previous Page IconTo Previous Page
To Previous Page IconTo Previous Page
Loading...
TX120 S3 Upgrade and Maintenance Manual 371
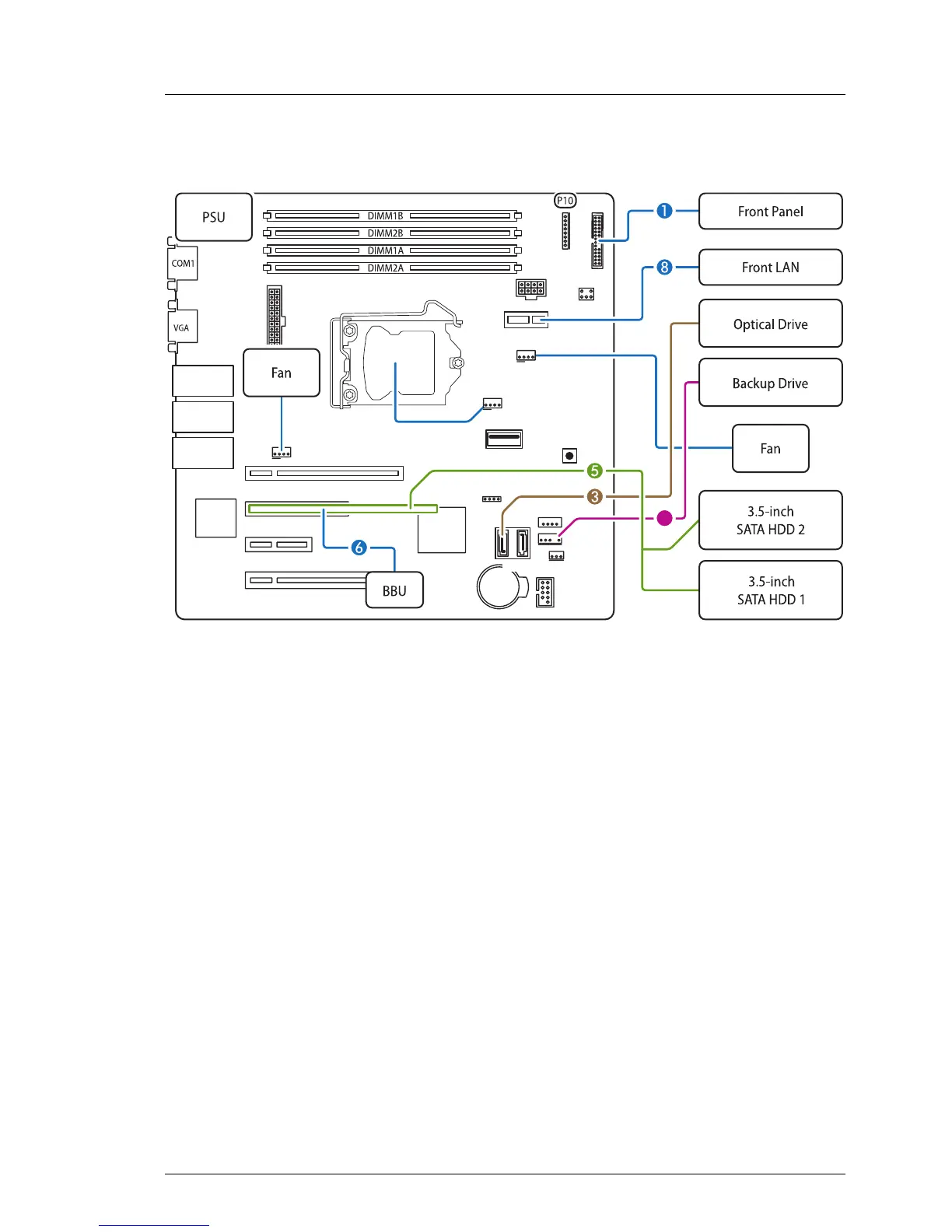
Cables
3.5-inch HDD configuration with SAS controller
Figure 226: Data cabling - 3.5-inch HDD model - SAS controller
Slot 3 PCIe x4
Slot 1 PCI 32 Bit / 33 MHz
SATA5
SATA POWER
POWER1
HDD ACTIVITY
Slot 2 PCIe x1
Jumper
SATA MLC1
USB1 DAT
Mgmt. LAN
USB 9/10
Shared LAN
USB 7/8
Standard LAN
USB 5/6
Slot 4 PCIe x16
USB1AUX
FRONT LAN
UFM
FAN2 SYS
PC2009
FAN1 SYS
FRONTPANEL
FAN1 CPU
INTRUSION
SATA6
SAS Ctrl. 8-port
Indicate CSS
7a

Table of Contents

Other manuals for Fujitsu PRIMERGY TX120 S3

Related product manuals