EasyManua.ls Logo

wsm M7040 - Page 68

wsm M7040
588 pages
Print Icon
To Next Page IconTo Next Page
To Next Page IconTo Next Page
To Previous Page IconTo Previous Page
To Previous Page IconTo Previous Page
Loading...
GENERAL
M6040, M7040, WSM
G-47
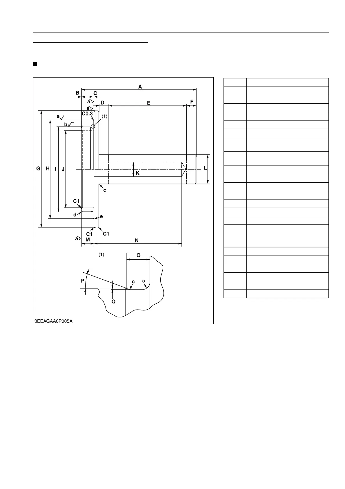
Flywheel Housing Oil Seal Replacing Tool
Application
Use to press fit the flywheel housing oil seal.
NOTE
The following special tools are not provided, so make them referring to the figure.
9Y1210143GEG0078US0
A 118 mm (4.6457 in.)
B 12 mm (0.4724 in.)
C 0.9 to 1.0 mm (0.0354 to 0.0394 in.)
D 10 mm (0.3937 in.)
E 80 mm (3.1496 in.)
F 10 mm (0.3937 in.)
G 120 mm dia. (4.7244 in. dia.)
H
100.9 to 101.1 mm dia.
(3.9724 to 3.9803 in. dia.)
I
86.966 to 86.988 mm dia.
(3.4239 to 3.4247 in. dia.)
J 79 mm dia. (3.1102 in. dia.)
K 15 mm dia. (0.5906 in. dia.)
L 30 mm dia. (1.1811 in. dia.)
M 13 mm (0.5118 in.)
N 90 mm (3.5433 in.)
O 2.5 mm (0.0984 in.)
P 0.349 rad (20 °)
Q
0.15 to 0.25 mm
(0.0059 to 0.0098 in.)
a Ra = 3.2 a
b Ra = 1.6 a
c 0.8 mm radius (0.0315 in. radius)
d 1.5 mm radius (0.0591 in. radius)
e 0.2 mm radius (0.0079 in. radius)
C0.3 Chamfer 0.3 mm (0.0118 in.)
C1 Chamfer 1.0 mm (0.0394 in.)
KiSC issued 07, 2012 A

Table of Contents

Related product manuals