EasyManua.ls Logo

YASKAWA GA700 Series

YASKAWA GA700 Series
1021 pages
To Next Page IconTo Next Page
To Next Page IconTo Next Page
To Previous Page IconTo Previous Page
To Previous Page IconTo Previous Page
Loading...
3.6 Control I/O Connections
104 YASKAWA SIEPC71061705H GA700 Series Technical Manual
3.6 Control I/O Connections
This section gives information about the settings for the listed control circuit I/O signals.
MFDI (terminals S1 to S8)
Pulse train output (terminal MP)
MFAI (terminals A1 to A3)
PTC input (terminal A3)
MFAO (terminals FM, AM)
MEMOBUS/Modbus communications (terminals D+, D-, AC)
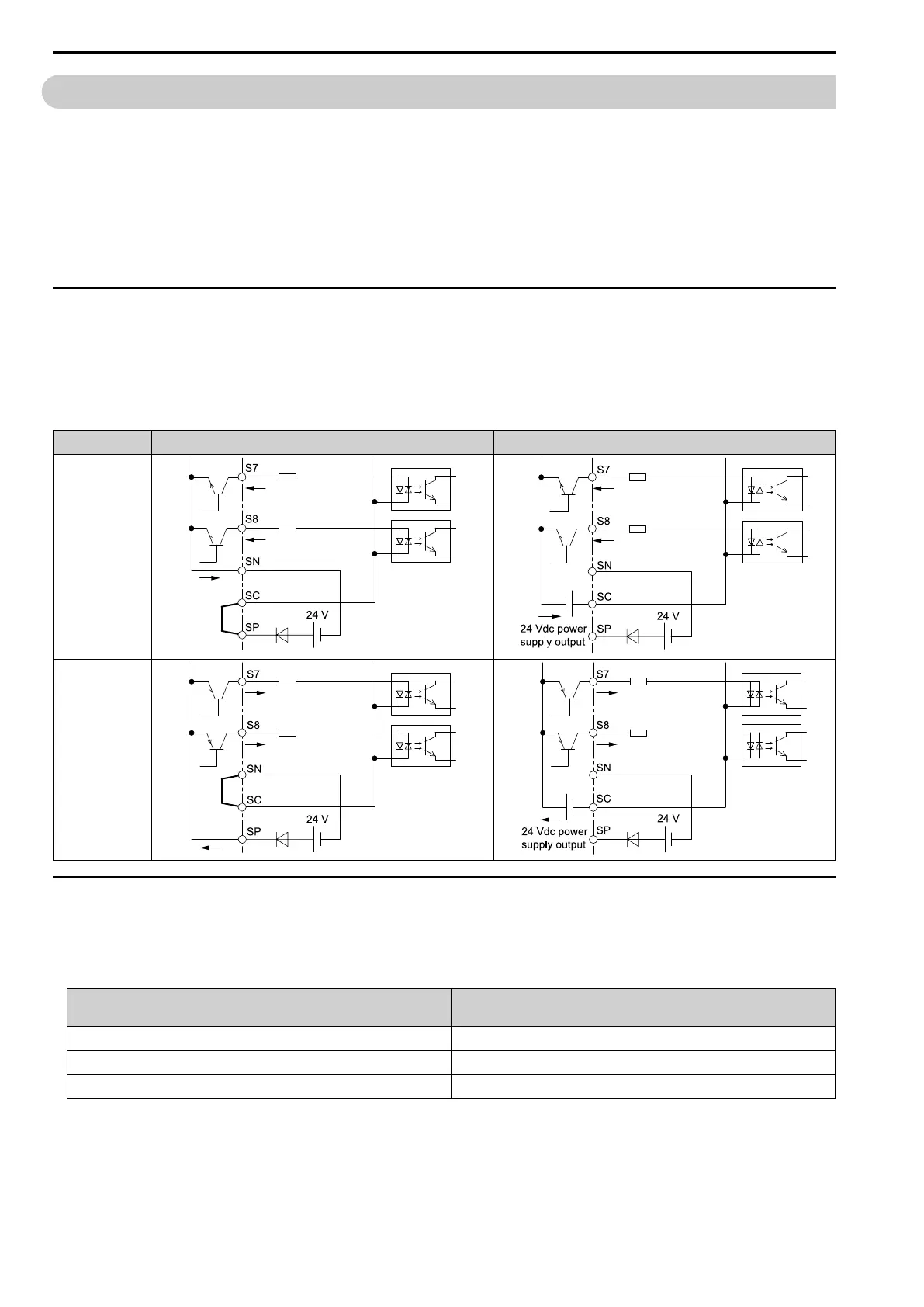
Set Sinking Mode/Sourcing Mode
Close the circuit between terminals SC-SP and SC-SN to set the sinking mode/sourcing mode and the internal/
external power supply for the MFDI terminals. The default setting for the drive is internal power supply sinking
mode.
NOTICE: Damage to Equipment. Do not close the circuit between terminals SP-SN. If you close the circuits between terminals
SC-SP and terminals SC-SN at the same time, it will cause damage to the drive.
Mode Internal Power Supply (Terminal SN-SP) External 24 V power supply
Sinking Mode
(NPN)
Sourcing Mode
(PNP)
Pulse Train Output
You can use pulse train monitor output terminal MP for sourcing mode or for sinking mode.
Use for sourcing mode
The load impedance changes the voltage level of the pulse train output signal.
Load Impedance
R
L
(kΩ)
Output Voltage
V
MP
(V)
1.5 or more 5 Vor more
4.0 or more 8 Vor more
10 or more 10 V or more
Note:
Use the formula in Figure 3.47 to calculate the necessary load resistance (kΩ) to increase output voltage V
MP
(V).

Table of Contents

Related product manuals