EasyManua.ls Logo

YASKAWA GA700 Series

YASKAWA GA700 Series
1021 pages
To Next Page IconTo Next Page
To Next Page IconTo Next Page
To Previous Page IconTo Previous Page
To Previous Page IconTo Previous Page
Loading...
Electrical Installation
3
3.3 Main Circuit Wiring
YASKAWA SIEPC71061705H GA700 Series Technical Manual 87
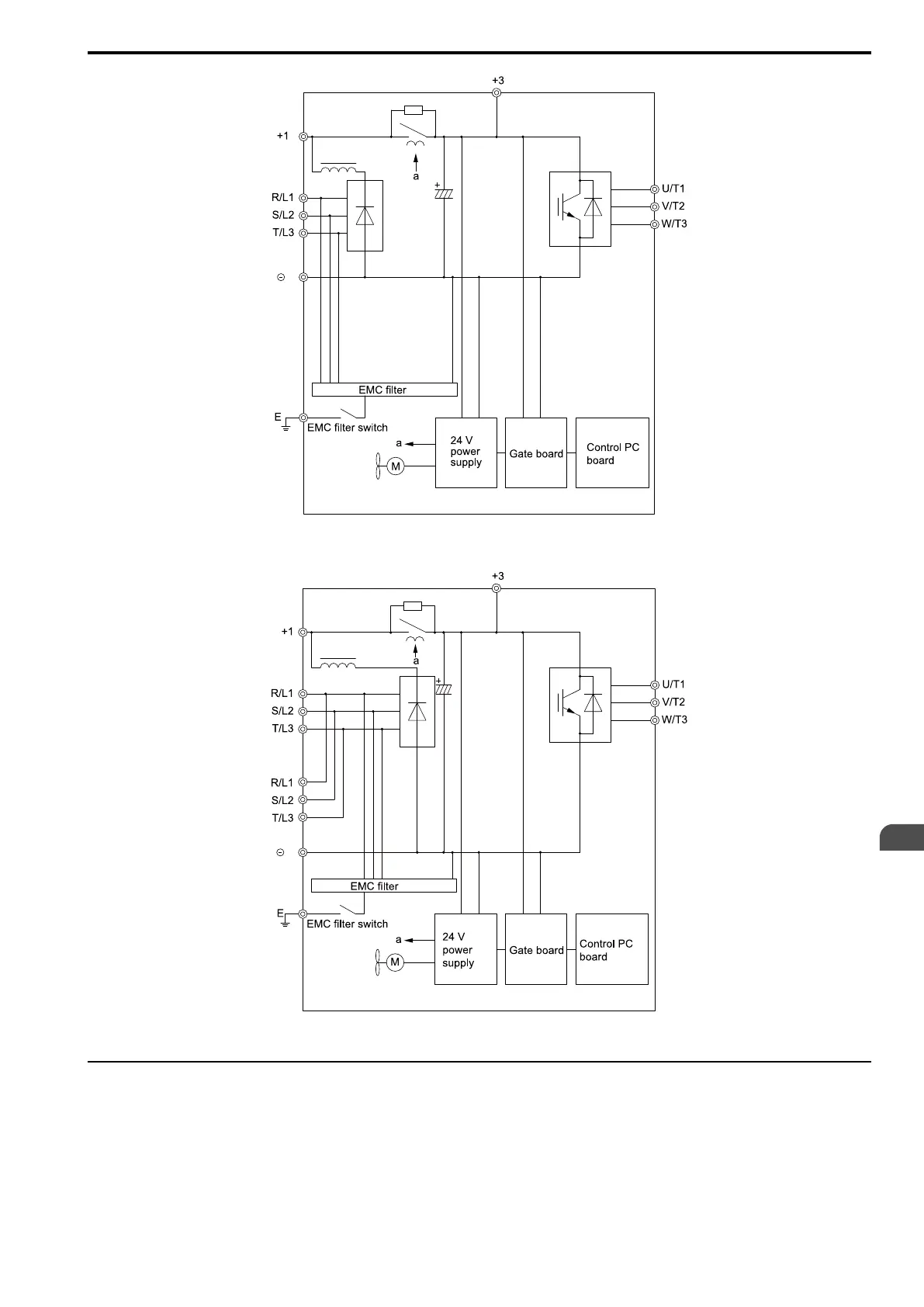
Figure 3.19 Drive Main Circuit Configuration 3
Figure 3.20 Drive Main Circuit Configuration 4
Protection of Main Circuit Terminals
When you wire the main circuit terminals, do not let cable ends go near terminals or the drive. If you use crimped
terminals, make sure that you also use insulation caps.

Table of Contents

Related product manuals