EasyManua.ls Logo

Altera Cyclone IV - I;O Element Features; Programmable Current Strength

Altera Cyclone IV
490 pages
Print Icon
To Next Page IconTo Next Page
To Next Page IconTo Next Page
To Previous Page IconTo Previous Page
To Previous Page IconTo Previous Page
Loading...
Chapter 6: I/O Features in Cyclone IV Devices 6–3
I/O Element Features
March 2016 Altera Corporation Cyclone IV Device Handbook,
Volume 1
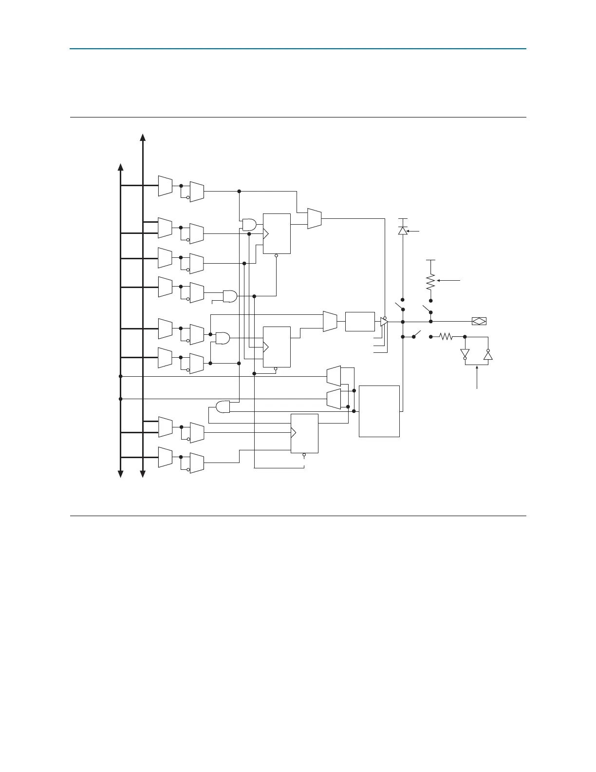
Figure 6–1 shows the Cyclone IV devices IOE structure for single data rate (SDR)
operation.
I/O Element Features
The Cyclone IV IOE offers a range of programmable features for an I/O pin. These
features increase the flexibility of I/O utilization and provide a way to reduce the
usage of external discrete components, such as pull-up resistors and diodes.
Programmable Current Strength
The output buffer for each Cyclone IV I/O pin has a programmable current strength
control for certain I/O standards.
The LVTTL, LVCMOS, SSTL-2 Class I and II, SSTL-18 Class I and II, HSTL-18 Class I
and II, HSTL-15 Class I and II, and HSTL-12 Class I and II I/O standards have several
levels of current strength that you can control.
Figure 6–1. Cyclone IV IOEs in a Bidirectional I/O Configuration for SDR Mode
Note to Figure 6–1:
(1) Tri-state control is not available for outputs configured with true differential I/O standards.
D Q
ENA
D Q
ENA
V
CCIO
V
CCIO
Optional
PCI Clamp
Programmabl
e
Pull-Up
Resistor
Bus Hold
Input Pin to
Input Register
Delay
or Input Pin to
Logic Array
Delay
Output
Pin Delay
clkin
oe_in
data_in0
data_in1
sclr/
preset
Chip-Wide Reset
aclr/prn
oe_out
clkout
OE
OE Register
Current Strength Control
Open-Drain Out
Column
or Row
Interconnect
io_clk[5..0]
Slew Rate Control
ACLR
/PRN
ACLR
/PRN
Output Register
D Q
ENA
ACLR
/PRN
Input Register
(1)

Table of Contents

Related product manuals