EasyManua.ls Logo

Altera Cyclone IV - Input Registers; Multiplier Stage

Altera Cyclone IV
490 pages
Print Icon
To Next Page IconTo Next Page
To Next Page IconTo Next Page
To Previous Page IconTo Previous Page
To Previous Page IconTo Previous Page
Loading...
Chapter 4: Embedded Multipliers in Cyclone IV Devices 4–3
Architecture
February 2010 Altera Corporation Cyclone IV Device Handbook,
Volume 1
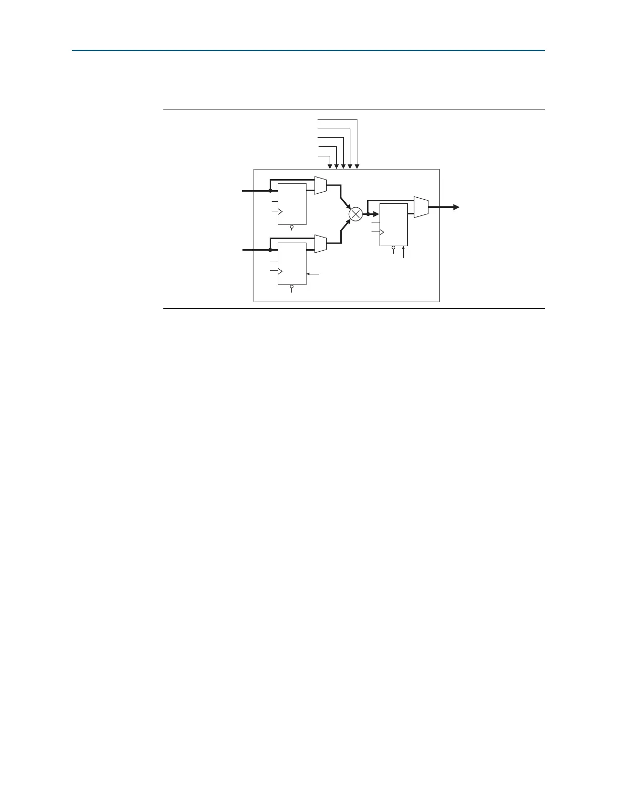
Figure 4–2 shows the multiplier block architecture.
Input Registers
You can send each multiplier input signal into an input register or directly into the
multiplier in 9- or 18-bit sections, depending on the operational mode of the
multiplier. You can send each multiplier input signal through a register independently
of other input signals. For example, you can send the multiplier
Data A
signal through
a register and send the
Data B
signal directly to the multiplier.
The following control signals are available for each input register in the embedded
multiplier:
clock
clock enable
asynchronous clear
All input and output registers in a single embedded multiplier are fed by the same
clock, clock enable, and asynchronous clear signals.
Multiplier Stage
The multiplier stage of an embedded multiplier block supports 9 × 9 or 18 × 18
multipliers, as well as other multipliers between these configurations. Depending on
the data width or operational mode of the multiplier, a single embedded multiplier
can perform one or two multiplications in parallel. For multiplier information, refer to
“Operational Modes” on page 4–4.
Each multiplier operand is a unique signed or unsigned number. The
signa
and
signb
signals control an input of a multiplier and determine if the value is signed or
unsigned. If the
signa
signal is high, the
Data A
operand is a signed number. If the
signa
signal is low, the
Data A
operand is an unsigned number.
Figure 4–2. Multiplier Block Architecture
CLRN
DQ
ENA
Data A
Data B
aclr
clock
ena
signa
signb
CLRN
DQ
ENA
CLRN
DQ
ENA
Data Out
Embedded Multiplier Block
Output
Register
Input
Register

Table of Contents

Related product manuals