EasyManua.ls Logo

Keysight Technologies 6811C - Page 270

Keysight Technologies 6811C
315 pages
Print Icon
To Next Page IconTo Next Page
To Next Page IconTo Next Page
To Previous Page IconTo Previous Page
To Previous Page IconTo Previous Page
Loading...
5 Programming Examples
270 Keysight Models 6811C, 6812C, and 6813C Programming Guide
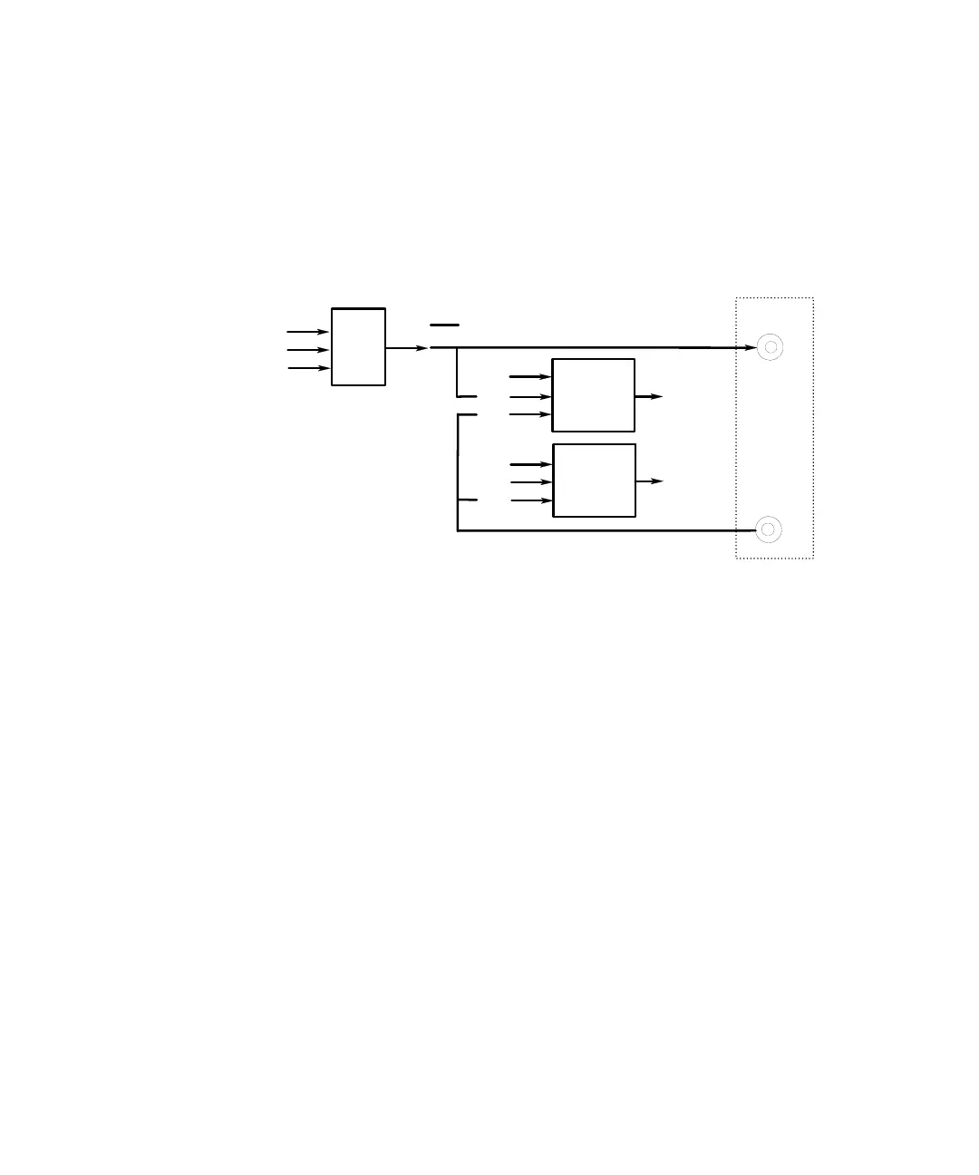
You can also specify the Trigger Out connector as a trigger source for
measurement trigger sequences. Use:
TRIGger:SEQuence3:SOURce TTLTor
TRIGger:ACQuire:SOURce TTLT
Figure 5-6 BNC connector trigger model
TRIGGER
SOURCE
TRIGGER OUT
OU TP:TTLT :SOU R
TRIGGER IN
TRIGGER
SYSTEM
BUS
EXT
TRIG:ACQ:SOUR
TTLT
BOT
EOT
OUTPUT
LIST
TRIG:TRAN:SOUR
IMM
TRAN SIEN T
TRIGGER
TRIGGER
SYSTEM
MEA SUREME NT
ACQUISITION
TRIGGER
EXT
OU TP:TTLT:STAT
ON
OFF
BUS

Table of Contents

Other manuals for Keysight Technologies 6811C

Related product manuals