EasyManua.ls Logo

Nitsuko 1232 - Page 190

Default Icon
388 pages
Print Icon
To Next Page IconTo Next Page
To Next Page IconTo Next Page
To Previous Page IconTo Previous Page
To Previous Page IconTo Previous Page
Loading...
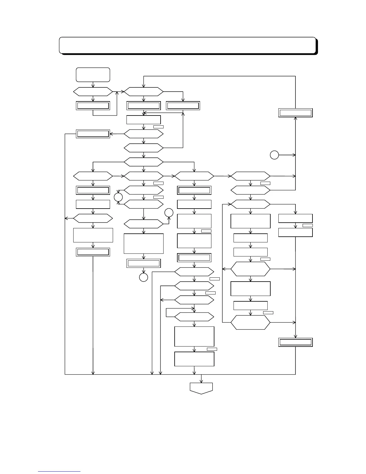
DISA Operation Flowchart
¾ 4-114 ¾
Dial Tone
Dial Tone
Dial "#" or
Timeout
Playback a one
left Message
Outside caller
Leaves Message
Outside caller Leaves
Tel. No. and "#"
Leave Message
Leave Tel. No.
Personal MSG
VAU MSG. 01
TXD Tel?
VAU MSG. 07 VAU MSG. 06
VAU MSG. 05
Dial or Timeout?
Dial # &
*
?
Extension Type?
Dial "3"?
Enable Mobile Call?
Stored Mobile No.?
Dial "2"?
VAU MSG. 12
Dial?
Idle Trunk line there?
VAU MSG. 14
System seizes an
Idle Trunk line and
calls Mobile-phone.
VAU MSG. 01
Dial "#" or Timeout
Dial Tone
Silent
Beep Tone
Beep Tone
Dial "1"?
VAU MSG. 11
VAU MSG. 13
Key Tel or SLT?
Enable Pager Call?
Stored Pager No.?
Idle Trunk line there?
Send the stored
Dial and Timeout
System seizes an
Idle Trunk line and
calls to Pager.
Dial "0"?
Password?
Left MSG there?
Dial "0", "
*
", "#"
or Timeout
Erase a Playback
Message
Dial Tone
Dial "
*
", "#"
or Timeout
VAU MSG. 05
VAU MSG. 09
Cut off
Note 7
Note 6
Note 2
Note 5
Note 4
Note 8
Note 8
Note 5
Note 3Note 2
Note 1
TXD TEL
Timeout
Yes (TXD TEL)Yes (Recorded)
Dial
Yes
Yes
No (TD TEL or SLT)No
8
8
9
10
No
SLT
No
No
No
No
No
No
No
Yes
Yes
Yes
Key TEL
SLT
Yes
Yes
Yes
TD TEL
No
Yes
NoNo
Yes
Incorrect
"
" "#" or Timeout
Yes (there)
"0"
Correct
No (Not there)
"
" "#" or Timeout
Yes
No
Note 1. Program #66-2.
2. Program #75.
3. Program #76.
4. Mobile-phone No. is stored on F9 key.
5. Message length is according to Program #64.
6. Pager No. is stored on F7 and F8 key.
7. 30 sec. (fixed)
8. Program #66-2.

Table of Contents

Related product manuals