EasyManua.ls Logo

Xerox Phaser 790 - Page 154

Xerox Phaser 790
653 pages
Print Icon
To Next Page IconTo Next Page
To Next Page IconTo Next Page
To Previous Page IconTo Previous Page
To Previous Page IconTo Previous Page
Loading...
10/00
2-140
Phaser 790/DocuColor 2006
009-323
Initial Issue
Status Indicator RAPs
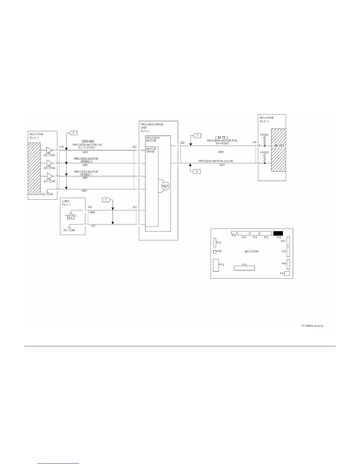
Figure 1 009-323 RAP Circuit Diagram

Table of Contents

Other manuals for Xerox Phaser 790

Related product manuals