EasyManua.ls Logo

Xerox Phaser 790 - Page 617

Xerox Phaser 790
653 pages
Print Icon
To Next Page IconTo Next Page
To Next Page IconTo Next Page
To Previous Page IconTo Previous Page
To Previous Page IconTo Previous Page
Loading...
10/00
7-71
Phaser 790/DocuColor 2006
Wiring Data
Initial Issue
BSD 7.2
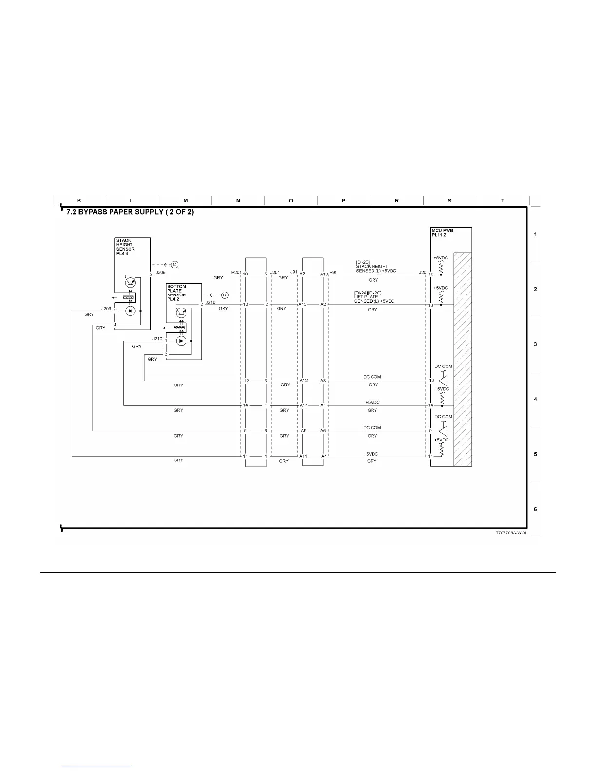
Figure 1 Bypass Paper Supply (2 of 2)

Table of Contents

Other manuals for Xerox Phaser 790

Related product manuals