EasyManua.ls Logo

Social Entropy Engine - MIDI Routing Diagram

Social Entropy Engine
251 pages
Print Icon
To Next Page IconTo Next Page
To Next Page IconTo Next Page
To Previous Page IconTo Previous Page
To Previous Page IconTo Previous Page
Loading...
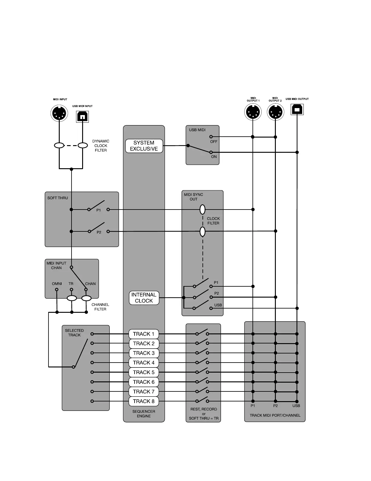
MIDI ROUTING DIAGRAM
This diagram shows the flow of MIDI data through Engine based on various settings.!

Table of Contents